Heathkit SB-200 Modificaties
For Eng click on flag ![]()
28 mar 2012: Een tekenfout (tnx K4VKN) in de tekening van "alle mods in één schema" gecorrigeerd.

Op een Dag van de Radio Amateur in Apeldoorn heb ik eens een geopende Heathkit SB-200 lineair gezien. Dit type werd omstreeks 1965 op de markt gebracht en is nog bij veel zendamateurs in gebruik. Het antennerelais wordt met een negatieve spanning van ongeveer 120 V door een transceiver geschakeld en moderne sets (zonder relais) zijn niet allemaal geschikt als stuurzender. In dit artikel wordt dat nog besproken. Opengeklapt ziet de inhoud van deze versterker er ruim opgezet uit en daarom leek het geschikt om als ombouwproject te dienen voor Russische buizen GU-43B, GS-35B en GI-7B. Regelmatig heb ik dan ook uitgekeken naar een gebruikte versterker voor een redelijke prijs en onlangs is via eBay een SB-200 uit Duitsland gekocht.
|
|
|
Dat blijft een gok en het eerste dat hier gecontroleerd wordt, is transformator en meters omdat andere onderdelen meestal wel te vervangen zijn. De buitenkast had gelukkig geen deuken of diepe krassen, alleen waren er op sommige plaatsen kale plekken en de frontplaat vertoonde slijtageplekken rond de twee grote knoppen. Mijn versterker mist een grote knop en daarvoor is (fig») door een vorige eigenaar de knop van REL PWR SENS gebruikt. Na een schoonmaak en controlebeurt zag alles er weer gaaf uit, ook trafo en meter waren in orde. Later bleek dat ook de twee buizen evengoed waren als mijn eigen 572B's van een andere eindtrap. De buitenkast is een soort koffermodel met openklapbaar deksel en de binnenhoogte is 15.5 cm. Helaas bleek er slechts een 10.5 cm hoge ruimte te zijn in het gedeelte waar de twee 572B zendbuizen horizontaal gemonteerd zitten in de binnenkast. Zonder veel zaag en breekwerk is het niet mogelijk om een GU-43B of GS-35B te monteren. Alleen 2 × GI-7B kan maar of er meer uit komt dan met de oorspronkelijke buizen wordt betwijfeld. Daarom is voorlopig besloten om de versterker in goede werkende staat te brengen door veranderingen, eventueel met nieuwe componenten. Al lezend zult u merken dat er veel geëxperimenteerd is en wellicht zijn er modificaties bij die u ook nuttig vindt.
Dit artikel bestaat uit vier delen:
–Deel 1 omvat modificaties die naar mijn mening een goede toevoeging zijn op het oorspronkelijke ontwerp.
–Deel 2 beschrijft een mogelijke uitbreiding naar de 160 m band. Deze mod werkt maar is nog niet ingebouwd.
–Deel 3 gaat over een behoorlijke verandering van het ontwerp zoals dat door mij ontworpen is. De versterker is in zijn huidige vorm volgens dat schema omgebouwd inclusief de modificaties van deel 1.
–Deel 4 geeft algemene informatie.
|
Zij die de Griekse taal machtig zijn, kunnen in een blad van een zuster vereniging een uitgebreid artikel lezen over de modificaties: Radio TELECOMMUNICATIONS magazine De Grieken stuurden mij het goed verzorgde blad met veel illustraties in het artikel op, maar ik kan de tekst helaas niet lezen. Regelmatig worden daar (o.a mijn) publicaties uit Electron overgenomen, werd mij door een Nederlander gemeld. |
|
DEEL 1
HV VOEDING
De zes elektrolytische condensators van de hoogspanning voeding zagen er wat smoezelig uit en een paar bovenkanten waren beschadigd. Uit ervaring weet ik dat door veroudering de capaciteit tot de helft van de oorspronkelijke waarde kan verminderen.
De originele 125μF/450V bekers werden vervangen door kleinere moderne 220μF/450V typen. De primaire kant van de transformator bestaat uit twee 120V spoelen die voor ons net in serie geschakeld zijn. Toen de versterker klaar was om te testen was de onbelaste en belaste hoogspanning respectievelijk 2150V en 1900V bij een netspanning van 226 VAC. Daarom denk ik dat hier in Nederland ook 6 × 220μF/400V in plaats van 6 × 220μF/450V gemonteerd kunnen worden.
Deze moderne typen zijn zo klein dat er zelfs onder het chassis plaats voor is! Dan kan de ruimte waar het oude spul gemonteerd was mogelijk gebruikt worden voor iets anders: een andere gloeistroom trafo of een andere buis. Als de pertinax printplaat verwijderd wordt is de 15.5 cm inbouwhoogte gelijk aan de binnenafmeting van de buitenkast.
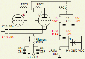
Parallel aan elke condensator zit in een SB-200 een 30 kΩ/10 W weerstand. Met moderne elco's is zo'n kleine waarde niet echt meer nodig. Alle 30 kΩ weerstanden zijn gedeeltelijk bruin geworden en dissiperen samen ongeveer 26 W en dat is ook aan de warmteontwikkeling in het compartiment te merken. U kunt het (overbodige) vermogen verminderen door eventueel elke weerstand te vervangen door 2 weerstanden van 220 kΩ/1 W parallel te schakelen. Voor optimale beveiliging worden door mij veel zekeringen in een ontwerp geplaatst en u ziet dat hier een 2A type in de secundaire kant van de trafo is getekend.
Het was niet nodig om de gelijkrichtdiodes te vervangen. Deze serieschakeling is opmerkelijk omdat vroeger altijd elke diode overbrugd werd met weerstand en condensator. Met de huidige verbeterde fabricageprocessen van diodes is dat niet meer nodig maar vroeger was het een standaard schakeling.
ELCO'S VAN 400 V
|
Dit is een voorbeeld hoe het uitgevoerd kan worden. In de definitieve vorm zal het, gesoldeerd met een steviger draad, dichter tegen de print moeten. |
|
|
|
Er werd mij uit een aantal Aziatische en Zuid Amerikaanse landen gevraagd hoe men elco's van 400 V kan aanbrengen zonder veel aan de bestaande print te hoeven veranderen. In die landen is het aanbod zeer beperkt maar voor 400 V typen waren nog wel bronnen te vinden.
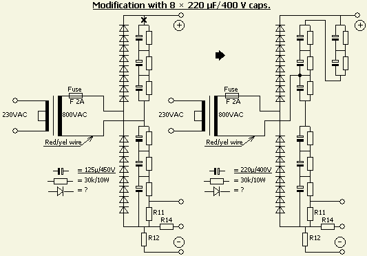
Met de spanningverdubbeling in het hoogspanningscircuit heeft men 8 × 220 µF/400V elco's nodig. Op de print hoeft alleen één spoortje doorgekrast worden. De elco's moeten met stevige montagedraden verlengd worden om in de bestaande gaten te plaatsen. De tekeningen en foto's zullen wel voldoende inzicht geven hoe het een en ander gerealiseerd kan worden. Letters en kleuren in de beelden zijn conform het originele schema of pertinax print. Een enthousiaste eigenaar meldde mij dat het goed gelukt was. Bovendien was door de grotere afvlak capaciteit de gemiddelde anodespanning hoger waardoor de versterker meer output leverde.
Toen de transformator in orde was bevonden werd de PA zonder buizen ingeschakeld. De meter wees niets aan met de meterschakelaar op HV omdat twee van de drie 4.7 MΩ weerstanden door veroudering of overbelasting een oneindige weerstand hadden gekregen. Monteer typen van betere kwaliteit of plaats meer weerstanden van 1 MΩ en 1.5 MΩ in serie om in totaal aan 3 Χ 4.7 MΩ te komen. Het is prettig als er een goede en nauwkeurige HV aanwijzing is en dat kan door (fig a) een instelpotmeter met een parallelweerstand. Als een weerstand in waarde verandert, wordt de meter beperkt overbelast. Omdat hier een 4.7 MΩ weerstand voor hoge spanning met een spiraalvormige aangebrachte laag in een bakje lag, is nu in mijn SB-200 de meetschakeling volgens figuur b.
INSCHAKEL VERTRAGING (SOFT START)
Een derde verandering die zo snel mogelijk aangebracht wordt is een zogenaamde soft start of inschakelvertraging. Zo'n systeem beschermt diodes en gloeidraden en maakt het mogelijk om een kleinere zekering aan de ingang van de voedingstransformator te plaatsen. Één van de vorige eigenaars was zo verstandig om dat al aan te brengen met een 110 V relais. Een andere oplossing kan («fig) met een 12 VDC relais. De getoonde schakeling moet hier qua waarden van enkele componenten nog getest worden in een SB-200. Experimenteer zelf met 10 Ω in combinatie met 1000 µF voor de inschakelvertraging. Het een en ander is afhankelijk van het te gebruiken relais. Vaak kan de weerstand weggelaten worden als de elco een grotere waarde krijgt.
BUIZEN
In elke versterker plaats ik als eerste maatregel een weerstand en zekering in de toevoerleiding naar de anode.
Bij deze lineair is dat eenvoudig. Knip de getoonde draad door en plaats de extra weerstand en zekering ertussen.
Deze aan te bevelen beveiliging bleek weer eens een zeer effectieve maatregel te zijn, want binnen 5 minuten nadat de lineair in bedrijf was ging er een flits door één van de buizen. De zekering was kapot maar de buizen mankeerden niets. Met te veel sturing gebeurde later hetzelfde maar toen lag ook de 10 W weerstand eruit en weer bleven de buizen heel! Als u 10 W te weinig vindt, monteer dan een steviger model. Zelf gebruik ik zo'n weerstand als tweede zekering en wordt zonder bezwaar wat vaker vervangen tijdens het experimenteren. Een paar dagen erna, de versterker was niet gebruikt, bleek na het inschakelen dat de zekering weer doorgebrand was. Met deze buizen komt dat in de beginperiode, als zij lange tijd niet gebruikt zijn, regelmatig voor. Later als een versterker goed werkt en stabiel is brandt de zekering nog maar zelden door. Als u de extra weerstand ontkoppelt met 4.7 nF/3 kV dan vormen beiden een extra filter.
Vergroot de ontkoppelcondensator C10 (1 nF,3 kV) van smoorspoel RFC1 met nog een condensator van 4.7 nF/3 kV. Door een verbeterde ontkoppeling zal er meer output zijn op de 80 m band.
C12 (20 nF) staat normaal over de gloeidraad smoorspoel maar kan beter verplaatst worden zoals in mijn schema is aangegeven.
Ter voorkoming van vonkoverslag in een nieuwe of lange tijd niet gebruikte buis, is het verstandig om hem voor te bereiden (reactiveren of reconditioneren) op zijn taak. Daar zijn diverse meningen over en oplossingen voor. Bij een 572B kan dat betrekkelijk eenvoudig. Met een gelijkspanning van 40 à 45 V heeft men voldoende om de buis 250 mA te laten trekken als het rooster met de anode verbonden wordt. Laat de buis eerst een half uur aanstaan met alléén 6.3 V op de gloeidraad. Daarna komt de "hoogspanning" van ongeveer 45 V erop en regelt men dat af op een anodestroom van 250 mA. Een nieuwe of goede 572B van zal 250 mA trekken bij ± 45 V zodat de meetopstelling ook geschikt is om buizen te testen en onderling te vergelijken. Het mooiste is als men de beschikking heeft over een stroombegrenzer, want tijdens het reactiveren kan de stroom onverwachts toenemen, zodat een bewaking nodig blijft om die 250 mA te handhaven. Meestal laat ik het reactiveren niet langer dan een uur duren.
Alle goede gebruikte of nieuwe buizen van TAYLOR, CETRON of WATERS die ik kon testen waren opmerkelijk gelijk want zij leverden 250 mA bij 44 Volt. Een buis is nog redelijk met een stroom van 250 mA bij 50 V, maar het zal duidelijk zijn dat een exemplaar versleten is als er 80 V nodig om 200 mA te laten lopen!
Vaak worden gepaarde buizen (matched tubes) aangeboden of aanbevolen, waarvoor u dan beduidend meer moet betalen.
Schema technisch worden beide buizen op gelijke wijze aangestuurd, maar door de montage van componenten zal er altijd een verschil tussen beide buizen bestaan zodat het paren (van echte zendbuizen) naar mijn mening geen zin heeft. Immers een HF stroom zal voor de kortste weg kiezen en daarom een voorkeur hebben voor één van de twee buizen. Wanneer bij voorbeeld van twee goede maar niet gelijke buizen de ene roder wordt dan de ander, kunt u meestal door het verwisselen van plaats hun werking "gelijk" trekken. Daarom kan ik niet inzien waarom u gepaarde typen moet aanschaffen voor deze versterker. Inmiddels bezit ik ongeveer 15 × 572B van diverse makelij waarvan 13 gebruikte buizen. Ze worden in deze versterker met 2 × 572B (SB200) en 3 × 572B in een Ten Tec Centaur door elkaar heen gebruikt zonder dat daar iets nadelig van te merken is!
Een methode om uit te zoeken welke buis het minder doet is kortstondig één buis eruit halen en de andere testen op maximale output in de 20 m band. Eventueel met een ATU om de SWR tussen zender en PA gunstig in te stellen. Plaats daarna de andere buis in dezelfde buisvoet en meet opnieuw de output. Daarna weet u wat de beste buis is.
Het aarden van het rooster is merkwaardig en dat behoeft enige uitleg. Het rooster (fig a) vormt samen met zijn lange toevoerdraad naar een buispin een niet te verwaarlozen zelfinductie. Daardoor wordt voor een hogere frequentie het rooster eigenlijk geïsoleerd van aarde en bestaat er kans op spontaan oscilleren. Collins heeft dat in zijn 30L-1 ontwerp (fig b) opgelost door in serie met het rooster een condensator van 200 pF aan te brengen. Samen met de "spoel" van de verbinding tussen rooster en buispin ontstaat een seriekring van een hogere frequentie die ervoor zorgt dat de buis weer stabiel wordt. Een inductievrije weerstand van 22 – 33 Ω dempt het circuit en maakt het breedbandig. Veel andere ontwerpers weten niet waarom er maar 200 pF geplaatst is en gebruiken dan een veel grotere capaciteit. Als Heathkit het systeem van Collins zou volgen dan moet de schakeling volgens figuur c uitgevoerd worden, maar het is gedaan volgens figuur d. De dempende werking van de weerstand is er niet en kan dan ook weggelaten worden. Het enige voordeel van deze 33 Ω weerstand is een gelijkstroom tegenkoppeling waardoor de buizen enigszins gelijkgetrokken worden. De gevonden 200 pF van Collins was uitgedacht voor oudere types 572B en ik betwijfel of dat met de nieuwere 572B wel zo effectief is. Mijn SB-200 met CETRON 572B's is dan ook geschakeld volgens figuur e met per buis een ontkoppelcondensator van 1 – 1,5 nF. (Lees in dit artikel: Rooster ontkoppel condensator). De versterker blijft daarbij stabiel en levert een een output van:
Dit alles is gemeten met een Bird 43 met 2.5 kW meetkop en een 50 Ω Bird dummy load. Eerlijk gezegd had ik niet verwacht dat er zoveel vermogen uit zou komen. Als hier lokaal de netspanning optimaal is kan de output op 20, 40 en 80 m zelfs bijna 800 W worden. De onbelaste anodespanning is dan 2100 V, bij normaal SSB is het gemiddeld 2050 V en met een serie geseinde punten is de gemiddelde spanning 2000 V. Met SSB en CW is de PEP output meer dan de informatie die in de tabel staat!
De condensator van 1 – 1.5 nF kan vergroot worden voor nog meer output maar dan wordt de aanbevolen anodestroom overschreden. Bovendien verandert de impedantie van de ingang der 572B's aanmerkelijk en wordt het moeilijker om met de kringen de SWR op een acceptabele waarde af te regelen.
De aanwezige mica 200 pF ontkoppelcondensators van de roosters waren qua formaat aan de krappe kant voor HF stromen die zij moeten verwerken. Tijdens het experimenteren ontstond in één ervan (fig») een kortsluiting. Dat is niet zo best voor de 120 volt negatieve voeding en tijdens ontvangst is de spanning te laag om de buizen volledig dicht te drukken. Het is verstandig om de oude exemplaren te vervangen door condensatoren van ten minste 250 VDC die een behoorlijke HF stroom kunnen verwerken. In mijn versterker heb ik ouderwetse keramische buistypen geplaatst van 1.5 nF/1 kV. Monteer ze met zo kort mogelijke draadeinden zo dicht mogelijk bij een buis.
|
Dikke draad of…
(hitte bestendige) coax kabel. |
|
|


Hiernaast is een uitbreiding van het bestaande circuit getekend als bescherming tegen vonkoverslag of ongewenst oscilleren. Het aarden van C25 aan een buisvoet of gemeenschappelijk aardpunt van de buizen gaat via een dikke draad of nog beter met een stukje coaxkabel. Rechts in de tekening ziet u hoe ook in de meeste andere versterkers het aardcontact of frame van C25 eigenlijk van de buisvoet afgeschermd is door een kooi van Faraday rondom de buisvoeten. Een rondgaande HF stroom van de buis via de condensator komt veel obstakels tegen en zal uiteindelijk de buisvoeten bereiken. De omweg veroorzaakt naar mijn overtuiging instabiliteit en ongewenste oscillaties. Een kortere stevige directe verbinding "verlegt" C25 via de kabel naar de buis. In andere type versterkers is gebleken dat op 10 m er zelfs meer uit komt door de kortere retourweg. Nog beter is het aanbrengen van een stukje coaxkabel en in het artikel FL-2100Z is daarvan een voorbeeld te zien.
Een tweede maatregel die meteen gedaan wordt met elke versterker is het beschermen van meter(s) met twee minimaal 3 A antiparallel geschakelde («fig) diodes. Zij moeten HF ontkoppeld worden met minstens 10 nF. In plaats van twee diodes kan ook een brugcel volgens bijgaand schema gemonteerd worden.
INGANGSPLUG
De ingangsplug voor verbinding met de stuurzender is een tulpplug die onmiddellijk vervangen is door een BNC chassisdeel. Het gat heeft daarvoor de juiste diameter en er hoeft dus niets geboord of gevijld te worden. Dat kwam mij goed uit want hier wordt vanwege het vele experimenteren zoveel mogelijk met BNC connectoren gewerkt.
Parasieten kunnen onderdrukt of voorkomen worden door voor de parasietstromen een obstakel (stopper) aan te brengen die haaks staat («fig) op de richting van de stroom. Dat kan in de vorm van een haarpin geleider en het werkt, zonder noemenswaardig verlies van het oorspronkelijke vermogen, bij frequenties die een veelvoud zijn van 100 MHz. De voornaamste taak is het creëren van een hoge impedantie in serie met het anodecircuit. Deze methode werkt alleen goed als de werkfrequenties en frequenties van de parasieten voldoende van elkaar af liggen, zodat er voor de werkfrequenties geen buitensporige weerstandsverliezen ontstaan. De stopper moet een zo laag mogelijke L/C verhouding hebben en ook voldoende gedempt worden om een breedband werking te verkrijgen.
Het dempen kan bereikt worden door parallel aan de haarpin een niet inductieve weerstand te schakelen en de haarpin te maken van slecht geleidend metaal. Een ruw of geprofileerd oppervlak geeft extra weerstand ten opzichte van een gepolijste of gepoetste geleider. De haarpin kan gemaakt worden van een nikkel legering draad c.q. strip of van vertind koper. De gelijkstroomweerstand hoeft niet meer te zijn dan een fractie van 1 Ohm. In veel versterkers maak ik zo'n haarpin van blank vertind 6 mm² installatiedraad dat men in huizen gebruikt om metalen objecten in bij voorbeeld de badkamer te aarden.
In deze versterker zitten parasiet stoppers in de vorm van kleine spoelen met parallel eraan 47 Ohm weerstanden. De waarde van dergelijke weerstanden is niet kritisch (22–100 ?). Zij moeten inductievrij zijn en zorgen ervoor dat de kring voor VHF breedbandig wordt. Een zwartgeblakerd of gebarsten exemplaar kan beter vervangen worden.



Een draadeind bij een van de weerstanden van de parasietstoppers in de anode was bijna afgebroken. Voor controle werden beide kringen los gemaakt en de weerstanden opgemeten. Zij waren van 47 Ω veranderd in 82 Ω. Uit ervaring is gebleken dat haarpin stoppers beter werken dan de oorspronkelijke typen en daarom zijn zij uitgevoerd zoals in nevenstaande foto. De effectieve lengte van de witte draad van de haarpin is 12 cm, maar knip een lengte af van 13.5 cm voor bevestiging aan de weerstanden. Meestal maak ik een haarpin van vertind montagedraad maar hier is litzedraad met Teflon isolatie toegepast. Dat kan gemakkelijk verbogen worden en blijft toch in vorm. De afmeting van deze haarpinnen heb ik experimenteel gevonden bij het bouwen en testen van ιιn van mijn vorige lineaire versterkers. Door verlengen en verkorten werd een maat gevonden waarbij een versterker stabiel bleef en dat model bleek bij latere eindtrappen ook te helpen. Er zijn weerstanden van 56 Ω/2 W gebruikt omdat ik daar een paar van had liggen.
Het oude type reflectievrije koolweerstand is bijna niet meer te koop, zoek dus niet vruchteloos naar het originele model, maar vervang door een moderne inductievrije weerstand. Philips (fig») heeft nu kleine bruine inductievrije weerstanden van 22 – 470 Ω/3 W. De meeste winkels voor componenten hebben het kleinere type («fig) 22 – 470 Ω/1.2 W in voorraad. Vraag dus naar het grotere type als ze "nee" verkopen of niet weten wat u bedoelt. Monteer de weerstand niet meer in de spoel maar ernaast.
Na het aanbrengen van eerder vermelde veranderde aarden van de roosters zijn de circuits van de ingang met kern en condensators zo goed mogelijk afgeregeld op een zo laag mogelijke SWR in het midden van elke band.
Niet vergeten moet worden dat alles afhankelijk is van de wijze waarop een bedrading aangelegd is. Vooral op de hogere banden kan dat bij u anders uitpakken voor een goede SWR. Het gemakkelijkste is als u tijdelijk of permanent 100 pF keramische of (gele Philips) kunststof trimmertjes gebruikt om de kringen af te regelen. Deze typen kunnen zonder problemen een HF stuurspanning van 100 W verdragen.
Bij de afregeling is een zo goed mogelijk compromis gevonden voor 10, 12, 15 en 17 m. Als 15 m wordt afgeregeld op SWR = 1.2 wordt op 17 m de SWR = 1.7 en omgekeerd en dan is SWR = 1.4 is een goed gemiddelde voor beide banden. Als hoger gegaan wordt dan 28.5 MHz wordt de SWR > 1.5. Eigenlijk zouden er twee circuits voor die band moeten zijn. Als op 10 en 12 m een SWR = 1 verkregen kan worden komt er 30 – 50 W meer vermogen uit. De coaxkabel aan de ingang beïnvloedt de SWR omdat de ingangskringen bij 10 en 15 m slechts bestaan uit een LC kring. Als de lengte van de coaxkabel tussen zender en versterker na het afregelen gewijzigd wordt, zal de SWR meter een andere waarde aanwijzen.
INPUT CIRCUIT 10 m
Na verschillende goed werkende circuits voor 10 en 12 m geprobeerd te hebben was ik nog niet tevreden want het moet met een pi-filter goed lukken. De zelfinductie van L1 is eigenlijk te klein en dat is uiteindelijk vergroot naar ongeveer 620 nH door L1 (3 wdgn) te vervangen door een spoel van 6 windingen van 1mm dik draad. Maak eerst op een 9 mm boor een spoeltje zodat het daarna klemmend op de pertinax vorm geschoven kan worden. Fixeer eventueel met een druppel seconden lijm. Merk op dat C38 vervangen is door 100 pF. Door goed af te regelen kan men SWR < 1.2 op 10 en 12 m bereiken, zelfs SWR = 1 op één van beide banden is mogelijk.
INPUT CIRCUIT 15 m
Het zal opgevallen zijn dat het draaien aan de kern bij 10 en 15 m niet zoveel invloed heeft. Dat komt omdat er op die banden teveel capaciteit aanwezig is door bedrading en de wijze van monteren. Door het monteren van een pi filter (2 × 150 pF + L) wordt die capaciteit een onderdeel van dat circuit en is de SWR minder afhankelijk van genoemde coaxkabel. C36 is dan 150 pF minus strooicapaciteiten. L2 moet ±750 nH zijn en dat wordt bereikt met 10 windingen van 1 mm draad in plaats van de oorspronkelijke 5 windingen. Als u ook mijn 20 m modificatie aanbrengt kunt u zich werk besparen door het 20m spoeltje L3 (10 wdgn) voor 15 m te gebruiken en L2 (15 m) over te wikkelen. Door aan de kern van L2 te draaien en C 36 te veranderen is een SWR< 1.3 op 15 en 17 m te verkrijgen. Een goed compromis dat bij mij toevalligerwijs met de originele C 36 = 76 pF bereikt werd. Regelt men 15 m af op SWR = 1 dan wordt dat op 17 m SWR > 1.3. Een heel gedoe maar het loont de moeite (vind ik) als men bedenkt dat één ingangscircuit dienst doet op twee banden. Het eenvoudigste is om in het midden van de 15 m band af te regelen op SWR = 1 en daarna over te schakelen op 17 m en dan met een trimmer (C36) op SWR < 1.5 in te stellen.
INPUT CIRCUIT 20 m
In mijn SB-200 wordt bij het zenden of testen op 20 m de draad en kern van L3 na een paar minuten heet en een trimsleutel van kunststof bleef zelfs in de kern plakken. De Q van deze ingangskring is vermoedelijk te hoog en door wijziging van het pi filter circuit is dat omlaag gebracht («fig) met 100 pF op de plaats van C34 (200 pF) en de laatste wordt gebruikt om C33 (360 pF) te vervangen. Het windingaantal van L3 moet vermeerderd worden tot 13 windingen voor ± 1.2 µH. L3 heeft 10 windingen en het eenvoudigste is om deze 15 m spoel op de plaats te monteren van L2 (20 m) voor de modificatie van het 15 m input circuit.
De 15 m spoelvorm kan dan met 13 windingen gebruikt worden voor deze 20 m modificatie. De 20 m spoel wordt nu minder snel warm maar is toch meer dan normaal hoger in temperatuur dan de spoelen van de andere banden. Het is mij nog steeds niet duidelijk waarom dat zo is.
Als in mijn versterker alle ingangskringen zo goed mogelijk afgeregeld zijn kom ik op een eindresultaat dat voor de (fig») duidelijkheid in één overzicht is afgebeeld.
De draad en kern van de smoorspoel voor de gloeidraden en de 10 Ω tegenkoppel weertstand werden behoorlijk warm als er op de 80 m band gewerkt werd. Het vermoeden was dan ook dat de zelfinductie te klein was en dat bleek met maar 10 µH ook zo te zijn. Op grond van mijn gestoei met de ingangscircuits en enige berekening met de gevonden afstemcapaciteiten ben ik van mening dat het ohmse deel van de ingangsweerstand van beide buizen samen 110 – 135 Ω is. Een zelfinductie van 10 µH is bij 3.5 MHz maar 220 Ω en staat parallel aan 135 Ω. Ook op 40 m is de zelfinductie nog aan de lage kant. Een gedeelte van de toegevoerde energie gaat in de smoorspoel zitten. De tegenkoppel weerstand van 10 Ω is niet meer klein ten opzichte van de totale impedantie van de ingang en wordt ook warmer dan wat gebruikelijk is. De smoorspoel is vervangen door een zelfgemaakt type van 20 µH en nu doen de vermelde verschijnselen zich niet meer voor. Er zijn 2 × 26 windingen van 1.8 mm draad op een (AM) ferrietstaaf van 10 cm lengte en 9.5 mm doorsnede aangebracht. Met mijn spanning van het lichtnetstaat staat er via deze smoorspoel 6.14 V op de buispinnen en dat is goed voor een lange levensduur van de buizen. Voor een 160 m uitbreiding is de zelfinductie eigenlijk nog aan de lage kant en kan men beter een ferrietstaaf van 12.5 cm of langer met draad wikkelen.
Een nadeel is dat de ingangskringen opnieuw afgeregeld moeten worden voor een lage SWR en dat de invloed het grootst is op 40 en 80 m. Merk op dat C32 (310pF) van de 40 m kring is vervangen door 240 pF en dat C30 (470pF) van de 80 m kring is vervangen door 440 pF.
Nu alles ingebouwd en goed afgeregeld was, bleek dat een stuurvermogen van 100 W toch iets teveel was voor twee Cetron 572B omdat met 60 tot 75 W de aanbevolen roosterstroom al gehaald wordt. Een goede methode om verantwoord met 100 W te werken is het aanbrengen van een tegenkoppeling met een inductievrije weerstand. De buizen kunnen niet overstuurd worden, de zender ziet een meer Ohmse belasting en de tegenkoppeling bevordert het lineaire gedrag. Ook wil zo'n weerstand wel eens goed zijn om parasitair genereren te verminderen of te verhelpen. Na het monteren van deze 10 Ω/10 W en het bijregelen van de kringen is het vermogen niet achteruit gegaan ten opzichte van de outputtabel eerder in dit artikel want een nieuwe meting gaf het volgende resultaat:
Voor zo'n oud beestje geen slecht resultaat, toch? Eigenlijk is het uitgang pi filter op de 15 m band beter geschikt voor 12 m maar het inputcircuit van 15 m geeft op 12 m een veel te hoge SWR. Als het circuit speciaal voor 12 m afgeregeld wordt, komt er op die band 700 – 750 W uit deze versterker.
Door spanningsverdubbeling in de HV voeding zijn anodespanning en uitgangsvermogen sterk afhankelijk van de momentele netspanning. Bij mij kan dat wel 100–150 W in output schelen. Soms zelfs 200 W omdat de spanning gemeten aan het stopcontact bij belasting door de lineair zakt naar ~220 V!
ROOSTER ONTKOPPEL CONDENSATOR
Met de 10 Ω tegenkoppel weerstand was het niet meer nodig om de buizen te temperen met een van lage waarde aan het rooster ontkoppel condensator. Bovendien werden de door mij geplaatste keramische typen van 1.5 nF behoorlijk warm door HF stromen en dat is geen goed teken. Ze zijn daarom vervangen door ouderwetse mica blokcondensators van 10 nF. Omdat de onderlinge gloeidraad verbinding van beide buizen vrij lang is, werd er voor de zekerheid nog een 10 nF ontkoppelcondensator over de ferriet smoorspoel teruggeplaatst. De oorspronkelijk 20 nF was eerder verplaatst naar de ingang.
Hoewel mijn Ten Tec transceiver in staat is om de – (min) 120 V van het antennerelais te schakelen is dit systeem ongeschikt voor veel hedendaagse transceivers. Hiernaast vindt u een betrekkelijk eenvoudige aanpassing om de versterker te schakelen met een lage spanning en stroom. Op het eerste gezicht lijkt het een vreemd circuit maar er is een extra diode toegevoegd voor een verdubbeling van de spanning bij de 6.3 VAC voeding van de gloeidraad. Daartoe moet de middenaftakking van de trafo los gemaakt worden van het chassis. Het kunstmatige midden voor de buizen wordt nu gevormd door de twee linkse diodes. Omdat de volledige stroom van twee buizen er doorheen gaat moeten de diodes ten minste 1 A aan kunnen maar 3A typen zijn aan te bevelen. De positieve kant van de gelijkgerichte spanning komt aan aarde. Weerstand R16 moet los gemaakt worden van uitgangsplug ANT RELAY en komt dan aan het nieuwe relais. De nieuwe weerstand van 4.7 kΩ wordt dan verbonden met ANT RELAY. Met deze modificatie hoeft een transceiver maar een 12 V negatieve spanning van een paar mA te schakelen. De 12 V kan ook gebruikt worden om eventueel de originele 120 V ventilator te vervangen door een moderner 12 VDC type.
DEEL 2
ANODE Q = 5 of Q = 10
Er was het voornemen om deze versterker geschikt te maken voor 160 m met een Pi-L anodecircuit en een apart ingangsfilter. Het zal opgevallen zijn dat de loading condensator (C28A, C28B) niet een ontvangertype is maar een exemplaar dat een grotere afstand tussen de platen heeft. Daarom werd gedacht dat deze condensator best geschikt zou kunnen zijn voor een Pi-L filter. Dat bleek ook zo te zijn maar de zelfinductie van alle kringen samen was te klein om te dienen als deel van een 160 m Pi-L filter. Ombouw gaat wel maar is behoorlijk ingrijpend en daarom is er toch maar vanaf gezien.
Er werden zijn twee goedwerkende pi filters (fig») voor 160 m ontworpen en getest. In figuur a betreft het een circuit met een Q factor van ongeveer 5 met het voordeel dat de totale tuning capaciteit voor 80 m (C25 + C26) wordt gebruikt en alleen een extra condensator parallel aan de loading (C28A/B) erbij komt. In figuur b is de Q factor ongeveer 10 en dan moet er aan de tuning condensator niet alleen 100 pf (C26) maar ook nog 250 pF parallel geschakeld worden.
Er kan volstaan worden met een klein relais voor het ingangscircuit en een groter relais om een 160 m spoel kort te sluiten of een condensator bij te schakelen. Voor 160 m wordt een spoel met ringkern in serie geschakeld. Dat heeft geen uitwendig veld en maakt een compacte bouwwijze mogelijk. Montage kan onder het chassis bij de opening naar de loading condensator. Daar hoeft alleen de verbinding van spoel naar bandschakelaar verbroken te worden om een verbinding naar de extra spoel te monteren. Het schema is een voorlopig ontwerp dat nog in een teststadium verkeert. Bij veel experimenteren krijgt men te maken met een vorm van bedrijfsblindheid en worden zaken over het hoofd gezien of vergeten. Toen ik voor de eerste keer de anodesmoorspoel zag, dacht ik die is vrij klein, moet ik toch eens opmeten, werd dus niet gedaan. Het lukte maar niet om op 160 m meer dan 150 W output te halen, ondanks mijn ervaring met eindtrappen. Tot mijn oog weer viel op de kleine smoorspoel (50 µH) en ik herinnerde dat te weinig zelfinductie een te lage output tot gevolg had. Even een tweede smoorspoel in serie gezet en er was al 500 W output! Geen slecht resultaat want op dat moment was de lichtnetspanning zo laag dat er maar 600 W op 80 m uit kwam. Bovendien werd de 80 m ingangskring gebruikt door met een tuner af te regelen op SWR = 1 voor 160 m. De roosterstroom is minder dan op de andere banden en de gloeidraadsmoorspoel voor 160 m heeft ook een te kleine zelfinductie (10 µH).
EENVOUDIGER ONTWERP 160 m
Op internet wordt aanbevolen om het LC ingangscircuit voor 80 m te wijzigen in een pi filter. Hoewel ik ook liever een pi filter toepas, werd vastgesteld het 80 m LC circuit in mijn SB-200 goed werkt. Aan de bandgrenzen is de SWR = 1.2. Waarschijnlijk werkt zo'n LC kring ook goed in het kleine 160 m bandje. Een uitbreiding naar 160 m kan dan vereenvoudigd worden door de 80 m spoel (L5) als gedeelte van een 160 m spoel te laten werken. Het een en ander is verwerkt in het ontwerp hiernaast maar moet nog getest worden op zijn praktische werking. De 13 µH spoel met een ringkern kan gemaakt worden met een AmidonT200-2 ringkern (of groter model) met 32 à 33 windingen.
DEEL 3
MEER UITGEBREIDE VERANDERINGEN
In de inleiding staat dat de versterker aangeschaft is om te experimenteren zonder al te veel mechanisch werk. Omdat hier al een lineair veranderd is met 3 × 572B in geaard roosterschakeling met de roosters direct aan massa, is deze SB-200 ten slotte gemodificeerd volgens nevenstaande principe schema waarbij de componenten met hun oorspronkelijke nummer benoemd zijn. Bij het ombouwen zijn zoveel mogelijk originele componenten gemonteerd aangevuld met extra onderdelen die op het schema niet genummerd zijn. Het modificeren is wel een hele operatie want ALC schakeling en het metercircuit voor anode en roosterstroom moeten ook veranderd worden om bij deze wijziging te passen. Het schema van de ombouw ziet er misschien complex uit maar na montage blijkt het niet veel plaats in te nemen. Het voordeel van deze nieuwe opzet is een betere HF aarden van de roosters en een transceiver hoeft maar ongeveer + 0.7 V/200 µA te schakelen zodat elke moderne set nu als stuurzender geschikt is. De buizen worden dichtgedrukt met een positieve spanning via de spoel van het tx/rx relais (RL1). Als het relais door de set via beide transistors met massa verbonden wordt, komt de kathode (gloeidraad) via 4 × 3 Amp diodes ook aan massa. De negatieve roosterspanning van ongeveer 2.8 V wordt gemaakt door serieschakeling met deze diodes. Is de ruststroom te groot of te klein verminder of vermeerder dan het aantal diodes. Merk op dat bij de 120 V voeding de polariteit van componenten omgedraaid is ten opzichte van het originele schema.
Een inductievrije tegenkoppel weerstand van 10 Ω/10 W had ik niet meer en daarom werden er aan de ingang vijf 47 Ω/1.2 W (fig») parallel geschakeld. Dat is qua dissipatie op het randje en een combinatie van weerstanden voor een groter vermogen is beter op zijn plaats. De Mosfet K538 kwam uit een PC voeding en de NPN transistor is een universeel type zoals BC547. Een 330 Ω weerstand tussen R15 en de meterschakelaar zorgt ervoor dat 500 mA op de meter een roosterstroom betekent van 100 mA, 400 mA is dan 80 mA etc. De weerstand kan eventueel door een instelpotmeter vervangen worden maar bij mijn SB-200 was de combinatie van R15 met 330 Ω precies goed.
De nieuwe ALC schakeling geeft een spanning af van 0 tot ongeveer –35 V. Condensator C3 is door een nieuw en kleiner formaat vervangen. De overspanning beveiliging (SG) is een op een neonlampje lijkend type van Siemens. In de testperiode is SG niet gebruikt en er is toen niets misgegaan maar bij de definitieve ombouw is deze arrestor voor de zekerheid toch maar gemonteerd (hoek onder links op de foto). Voor montage van alle onderdelen is de draadsteun bij de buisvoeten verplaatst naar de onderkant dichtbij de ventilator. De luchtverplaatsing van beneden naar boven koelt de beide transistors.
|
|
|
|
|
|
Aan de achterkant kwam op de plaats van de verplaatste draadsteun een hoeksteuntje met potmeter voor een regelbare ALC. Als het deksel opengeklapt wordt kan men eventueel de potmeter bedienen. De vrije pin van de rechter buisvoet werd als steun gebruikt voor de componenten van deze schakeling. In vergelijking met de originele schakeling (fig») is er door het ombouwen meer ruimte vrij gekomen.
Verder werden er een EURO chassisdeel voor de netspanning aangebracht en rechts een BNC chassisdeel voor de ingang van de versterker.
Omdat er bij een aantal lineairs voor de amateur-markt anodes van 572B's gevoed worden met ongeveer 2700 VDC, is dat bij deze versterker ook gedaan door het inbouwen van een scheidingstransformator 230 VAC/0.6 A.
Eerder staat er al dat daarvoor de ruimte gebruikt kan worden waar onder andere de oude elco's geplaatst waren. Een hier aanwezige trafo die aan de eisen voldoet past er ruim in. Deze tweede trafo wordt opgenomen in serie met 800 VAC van het (fig») circuit met spanningsverdubbeling. Met een eventuele schakelaar kan men kiezen uit normaal vermogen of "turbo" output.
Vanwege de hogere anodespanning moet het condensatorpakket uitgevoerd worden met 8 × 220 µF/400 V. Met een externe voeding is een proef gedaan met deze verhoogde anodespanning en met "key down" kwam er ongeveer 125 W meer uit en met SSB was dat 200 W PEP. Dat is niet bepaald spectaculair maar de negatieve roosterstroom werd een stuk minder en dat betekent een betere instelling van de buizen. Na het inbouwen van de extra trafo is het uitgangsvermogen gemeten met key down en bij een optimale lichtnetspanning: 2250 VDC met 850 W output op 80, 40, 20, 17 en 15 m, 750 W op 10 m en 725 W op 12 m. Met SSB was de gemiddelde gelijkspanning 2550 VDC en dat is, bij een rendement van 62%, een PEP output van ongeveer 950 W. Bij telegrafie met een serie snelle punten was de gemiddelde spanning 2450 V. Met 50 W van de transceiver kwam er nog 600–650 W uit deze "opgevoerde" SB-200. Onbelast was de anodespanning 2950 VDC. De SWR aan de ingang veranderde weinig en ook aan de instellingen van tuning en loading condensatoren hoefden niet veel veranderd te worden. Het voordeel van deze hogere anodespanning is dat de output nu stabieler en minder afhankelijk is van variaties in de netspanning. Overigens is het verstandig om het draaggolf vermogen te beperken tot 800 W output.


De eigenschappen van de originele gelijkrichtdiodes zijn mij onbekend maar in de test met de verhoogde anodespanning bleven zij heel. Uit voorzorg zijn zij echter vervangen door 10 × BY225 (1300 V/3 A). De ombouw duurde langer dan verwacht omdat er toch noch geschipperd moest worden met de ruimte om een nette ombouw te realiseren. Op de foto is te zien hoe de transformator gemonteerd is en acht condensators hun plaatsje gevonden hebben onder de meter tussen transformator en frontplaat. Alle acht zijn met hun parallelweerstanden op een glasvezel print gemonteerd die zodanig geplaatst is dat vier elco's boven en vier elco's onder het chassis uitsteken. Een print met diodes en meetweerstanden is bevestigd in het chassis onder de extra transformator. Nadat alle ingangskringen nog een keer waren gecontroleerd door aan de kernen te draaien was de SWR als volgt:
Met twee nieuwe buizen en 221 VAC is de output 800–900 W bij key down.
DEEL 4

Als u een ingangscircuit wilt aanbrengen of optimaliseren kunt u dat het beste doen met de standaardwaarden van C in de tabel. U begint met een vaste ingangscondensator en experimenteert alleen met Lx en Cx voor een zo laag mogelijke SWR. Eventueel vervangt u Cx door een stukje coaxkabel met aan het einde een trimmer met een geschikte capaciteit parallel daaraan. Deze methode geeft een mogelijkheid om het afregelen op een meer bereikbare plaats te doen. De capaciteit van de kabel maakt deel uit van Cx en als u tevreden bent meet u de capaciteit van kabel samen met de gemonteerde C's. Daarna kan de gevonden waarde als een vaste condensator Cx in de schakeling geplaatst worden.
Als het niet lukt om SWR = 1 te bereiken wijzig dan in geringe matig C door verkleinen of vergroten en ga daarna weer verder met Lx en Cx. Elke verandering van het uitgangsfilter in de anode veroorzaakt ook een wijziging van de SWR aan de ingang. U moet ervoor zorgen dat de uitgang afgeregeld is op maximale output in een geschikte 50 Ω dummy load. Vooral op 10m heeft een slordige afstemming met een verandering van amper 50 W in het uitgangsvermogen tot gevolg dat de SWR kan oplopen tot SWR > 1.5! In deze versterker worden voor 10/12 m en 15/17m maar («fig) twee ingangcircuits gebruikt en om een goed compromis te verkrijgen voor een redelijke SWR op alle vier banden zijn voor Cx twee kunststof trimmers gemonteerd.
Omdat de impedanties van in en uitgang van een versterker met SSB/CW of key-down niet aan elkaar gelijk zijn zal de SWR in beide omstandigheden ook anders zijn. U kunt u voor spraak en telegrafie nog een fijn regeling voor de SWR toepassen. U seint zo snel mogelijk punten met een (elektronische) seinsleutel en kijkt dan naar de SWR meter. Waarschijnlijk ziet u dat de naald toch enige uitslag vertoont. Als dat zo is regelt u het ingangscircuit af tot de naald bijna niet meer beweegt.
De originele ventilator kan gesmeerd worden en het verdient aanbeveling om dat ook regelmatig te doen. Bij mij voldoet de koeling goed ook met de verhoogde anodespanning tijdens de langdurige testen. Er worden door mij voldoende pauzes ingelast om af te koelen. Hoewel een versterker bij mij in de praktijk weinig of kortstondig gebruikt wordt heb ik als proef een kleine 12 V ventilator met een tweezijdige plakstrip naast een buis («fig) geplaatst om de lucht onder de buizen weg te blazen. Daarna is de ventilator liggend onder de buizen naast de propeller van de originele ventilator gezet. Dat ging goed alleen op de 15 m band ging het toerental achteruit door HF straling.
Ten slotte werd een PC ventilator (6 × 6 × 2.5 cm) aan de motor van de andere (fig») ventilator vastgemaakt met twee eraan gesoldeerde messing strookjes.
Een voeding maakt men door gelijkrichting en verdubbeling van de 6.3 VAC spanning voor de gloeidraden. Merk op dat plus en min polen "zwevend" zijn. Voor normaal gebruik lijkt mij deze plaats van de assisterende ventilator een goede oplossing zonder al te veel mechanische bewerkingen.
Als u van plan bent om deze PA veel en langdurig te gebruiken, is het misschien verstandiger om op de kast boven de buizen een externe grotere ventilator te laten assisteren Dat is het meest effectieve middel en gemakkelijkste methode. In artikelen op internet vervangt men de bestaande ventilator door een krachtiger 120 VAC type op dezelfde plek of men vervangt door een gelijkwaardig 12 V type.
UITBREIDING SCHAKELDEKKEN
Er zijn vervangers voor de originele schakeldekken te koop voor $ 30 bij http://www.harbachelectronics.com . Daarmee (fig») is het mogelijk om deze versterker bij voorbeeld uit te breiden met twee extra banden zoals 30 en 160 m. De firma levert ook allerlei andere interessante componenten voor een SB-200 zoals: soft start, een betere ventilator, elektrolytische condensators etc.
HEATHKIT KLEUR
De apparatuur van Heathkit heeft een aparte groene kleur die maar zelden kant en klaar te koop is. In de USA worden spuitbussen te koop aangeboden voor $9 – $12. Toen ik onlangs aan het winkelen was bij Praxis zag ik dat zij een huismerk voor verven en lakken ingevoerd hebben onder de naam: DE KEUZE VAN PRAXIS.
Er stond een hamerslag spuitbuis op een plank en de groene kleur leek sterk op die van Heathkit. Volgens het opschrift is het hamerslag: "Alkyd op basis van terpentine, voor binnen en buiten, snel drogend en geschikt voor onder andere metaal". Uit nieuwsgierigheid is een spuitbus gekocht en thuis beproefd op een voorbehandeld metalen oppervlak. Tot mijn verrassing bleek de kleur vrijwel hetzelfde te zijn als dat van de frontplaat. Inmiddels is de kast overgespoten en ziet er perfect uit volgens mijn xyl. Op de foto lijkt de kleur lichter dan de frontplaat maar dat komt omdat de nieuwe hamerslag wat meer glans door reflectie van het daglicht dan de oude frontplaat. Voor Heathkit liefhebbers is het misschien verstandig om een paar spuitbussen in te slaan voordat de Praxis keten het product weer van een andere fabrikant afneemt.
SPECIFICATIE
In de afgelopen jaren werden hier alleen 2dehands buizen van het merk CETRON aangeschaft en zij worden naar tevredenheid gebruikt in mijn versterkers.
Slechts één keer heeft een Duitse zendamateur (uit voormalig YU) mij een 572B geleverd met («fig) los zittende voet en een defect vacuüm.
Bij mij krijgen deze zendbuizen uit China (?) er behoorlijk van langs tijdens het veelvuldig experimenteren. Zij geven geen krimp bij het langdurig proberen en testen. Het zijn echt sterke buizen en zeer geschikt voor zelf te bouwen lineaire versterkers. De gegevens die ik gevonden heb over CETRON 572B's staan in tabel hiernaast en voor zover ik kan nagaan zijn het specificaties voor ICAS toepassingen. Ook TAYLOR 572B's hebben langdurige testen goed doorstaan.
Uit de tabel blijkt dat twee buizen met maximaal 60 W uitgestuurd mogen worden. In de praktijk zijn er allerlei verliezen door constructie, montage en componenten en dan kan 60 W te weinig zijn. Met ongeveer 100 W uit een set zit u redelijk aan een effectief stuurvermogen van ongeveer 60 W maar dat is eigenlijk alleen goed te zien op een scoop of dat net niet teveel is.
Vaak ook is dat hoge uitgangsvermogen niet mogelijk omdat in van veel versterkers de anodespanning in elkaar zakt bij volledige uitsturing.
Bij 572B's van andere fabrikanten is het maximale stuurvermogen 60 W per buis. De lengte van de buizen is niet bij alle merken hetzelfde en dat kan bij het vervangen in sommige versterkers een probleem geven. Alle buizen op de foto hebben een verschillende lengte. De twee linkse buizen zijn beide van CETRON. De middelste is van RF-Parts en de rechtse twee zijn UEW-572-B en UE-572B van Waters Electronic Company. Deze getoonde buizen samen met mijn andere 572B's leveren door elkaar heen allemaal dezelfde output in deze versterker met gemonteerde 10 Ω tegenkoppel weerstand. Er is ook geen verschil in de input SWR per band. Mijn ervaring, ook met andere versterkers, is dat het aanschaffen van "gepaarde" buizen weinig zin heeft.
BUIZEN VERSLETEN?
|
Ware grootte 572B van o.a. Cetron en het kleinere type van Svetlana. |
Als de ruststroom lager wordt kan dat een signaal zijn dat de emissie van één buis of van beide aan het afnemen is. Tegelijkertijd wordt de SWR tussen zender en versterker steeds slechter. Als u aanstuurt met een continue draaggolf (key down) tot de buizen rood worden is te zien welke buis aan het verslijten is. De slechtste buis wordt niet zo rood als het goede exemplaar.
Een 572B wordt onder veel merknamen in de handel gebracht. Mijn indruk is dat er veel uit China komt, maar dat zijn niet altijd slechte producten is mijn ervaring. Uit Rusland of de voormalige USSR komen door Svetlana gemaakte 572B's. Zij werden ontworpen voor toepassing in AF versterkers en zijn behoorlijk stijl. Volgens diverse bronnen zijn deze types minder geschikt voor HF versterkers. Bovendien is de anode ook nog kleiner (geschat 35%) dan de normale 572B's. Beide eigenschappen kunnen een reden zijn om deze buizen niet in een FL2100Z te plaatsen.