PL519 FRINEAR 150, 150 W HF Amplifier
(Passive grid amplifier, FRINEAR LINEAR in RSGB's RadCom June 1989)
Pi-in 5W, Po-out 80-100W
01-dec-2021: PA3SZR schematic with 2 × QQE06/40 in parallel.

F6CRP made this FRINEAR-150 amplifier, a great example of homebrew.
AMPLIFIER FOR USE WITH QRP TRANSCEIVERS
Being a passive-grid amplifier, most of the input power is dissipated in a non-inductive (carbon) resistor applied to the control-grid of the valve. This type of linear has many desirable features, including low cost, low component count, stability due to the swamping effect of the passive grid input load and simplicity of the construction. Because the control grid is loaded with a resistor, the amplifier is in principle stable. With about 5 W input the amplifier provides an RF output of about 80 W on 28 MHz rising to about 110 watts on 3.5 MHz, using a single PL519 (EL519) that had already seen ten years service in a colour television receiver. With 10 W input the output is about 140 - 180 W.
|
Full size. |
Later in this article is a simpler design. |
The transceiver is loaded correctly without variable input tuning. After band changing, only two capacitors need to be tuned. In this circuit sweep-valves are being used. Hams not having much experience with valves may learn much from this project. One day they may want to build a high-powered amplifier with a "real" transmitting valve.
VALVE CHOICE
I leave it to the pro's to argue about which specific valves should be used in this project; when properly adjusted, every amplifier will behave linearly. In my project I decided upon the well-known (discarded) PL519, used in old CTV sets. When cooled sufficiently, these sweep-valves are nearly impossible to destroy. They especially can withstand high voltages and peak currents. In contrast with American sweep tubes they will even function well with anode voltages far in excess of 2000 Volts, even with 2800 V the valve survived many experiments. In order to protect you from extra problems, I am advising you to apply only with 1000–1600 Volts. The valves may be mounted vertically or horizontally, the choice giving more freedom of layout. The PL509 may be intermixed with the PL519 as their characteristics and filaments (40 V/0.3 A) are the same, but the PL509 has a lower permissible dissipation. EL509 and EL519, which are used much in 27 MHz linear amplifiers, only differs in filament voltage: 6.3 V/2 A. One should reckon with valve diameters differing with different makes: e.g. Valvo's/Philips's having a smaller diameter than Italian and Russian ones. A new (100%) PL519 is capable of providing more than 200 watts PEP output when used with forced air-cooling. The valve seems to be virtually indestructible with its performance limited only by envelope temperature. After ten years or more television service, cathode emission remains near perfect and the PL519 is capable of sustaining over 1.1 kV on its anode.
The anode is in fact about the same size as that of the old 814 and 811A power valves. Although, in the case of the PL519, closer to its glass envelope. This is why forced air-cooling is needed to get maximum power from this valve. In my opinion, anode dissipation, with adequate cooling, is of the order of 65 watts like the older valves.
Valves unused for a long time and even new one's, should be first warmed up by having only the filaments on, with the correct voltage, for half an hour. After that, the other electrodes can be connected with the valve drawing its idling (standing) current, without drive for 30 minutes. The internal heating activates a chemical diffusion process, which raises the emission level and also helps restoring good vacuum, thereby diminishing the number of possible "flash over".
Experiments showed that a QQE06/40 could also be used in this design
A WIDEBAND INPUT CIRCUIT
|
Tuned out input capacitance. |
Non inductive resistors. |
A part of the input power is dissipated in a 50 ? resistor. This arrangement should be frequency-independent; however, the capacitance of the control-grid and the impedance/capacitance of the RF rectification circuit add up more than 25 pF. This capacitance must be tuned out (left fig) on the higher-frequency bands. By way of flywheel-action this tuned input-circuit will, to a degree, level out the variable input impedance, thereby preserving a reasonable match and thus linearity and output of the driving transceiver. By putting a 50 Ω-swamping resistor across it, the driver will see a load with a SWR of less than 1.5.
If the amplifier is only for 40, 80 or 160 meters, you can omit L1 and 100 pF. The coil L1 can be an air wound one or made with a yellow T50-6 toroid. Adjust L1 in the 10 m band by pushing or pulling out the windings for lowest SWR with "key-down" power.
SCREEN SUPPLY PRINCIPLE
The screen grid is neither at a fixed high voltage nor at earth potential but at a voltage with is proportional to the RF drive. To that end, voltage is derived from a small portion of the input signal, rectified in a voltage quadrupler applied to the bypassed screen grid. This method is consistent with good linearity. In the absence of drive there is no screen voltage and the idle current is very low.

Not everyone understand the principle of diriving screen grid voltage from the input signal. The system is often applied indiscriminately to other tubes (for example, QE08/200) without proper adjustment procedure.
This article applies the principle of Figure 1 («fig). Without drive set the idle current with a number of diodes in series. Resistor R1 (grid leakage resistance) provides a rectified negative voltage which is proportional to an instantaneous screen grid voltage. The latter is derived from a small portion of the input signal and rectified in a voltage quadrupler.
With too low resistance of R1 or too little negative voltage the tube draws to much anode current. Also the screen grid current is increased and the derived screen grid voltage drops. In addition, the behavior (input impedance) of the tube changes with a poor VSWR at the input as a result.
Use the procedure in the image for correct adjustments.
CHANGEOVER
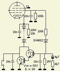
During transmit periods the screen-grid voltage is applied to the base of a Darlington pair which in turn short-circuit the 10 k? cathode resistor via a string of diodes. The attack and delay time is determined by the base components.
By pressing the switch temporarily the quiescent current can be measured.
OVERDRIVE INDICATOR

The LED will light at overdrive. If you do not need this system delete the three lower components.
ANODE/PLATE
|
|
The anode connection is at the top of the EL/PL519. Top clips are difficult to obtain, but transistor-cooling clips are a good alternative. These may have to be bend a little for a good fit. They are made of blackened copper. The contact area should be scraped bright as well as the area where the connecting lead is to be soldered. The cooling clip keeps the temperature of the top within reasonable limits at high dissipation. With a good design and neat mechanical layout, there is no need for the usual parasite killers in the anode leads to stop parasitic oscillations. |
|
PARASITIC SUPPRESSOR
A method of parasitic suppression is the insertion of RF current (hairpin shaped) obstacles (dampers) at right angles («fig) to the probable flow of the parasitic currents. This method can be used up to frequencies of several 100 MHz without noticeably reducing fundamental power. The main function is to provide a high impedance path in series with other (tank) circuit elements. However such method can be used only where the fundamental and parasitic frequencies are sufficiently far apart, so that excessive resistive losses of the fundamental frequencies are avoided. The circuit should have a L/C ratio al low as practicable and be suitably damped to give a broadband effect.
|
Can be precautionary mounted. A value of 22 to 100 Ohms is fine.
The traditional suppressor. |
|
Damping can be achieved by paralleling the hairpin circuit inductor with a non-inductive resistor and by making the inductor from resistive material. A mat surface rather than a polished surface may provide sufficient surface resistance. The resistive component need often be no more than a nickel alloy wire/strip or tinned copper wire/strip with a DC resistive value of a fraction of an ohm.
This amplifier was stable and build without a parasitic suppressor in the plate lead. If any instability occurs fit a suppressor. My experience with hairpin parasitic suppressors is that they work better than inductors with parallel resistors. It is not necessary that they have to be made of nichrome wire. If you use 1 - 2 mm diameter tinned copper wire, it will have sufficient skin resistance for VHF. Cut off a 12 cm long piece of wire and bend it around a piece of pipe 25 mm od., solder a lug on each end.
ANODE CHOKE
|
About plate chokes, varying stories circulate. However, least problems arise with one-layer chokes. Because of the dissipation and closeness of the power valves, a heat-resistant coil former is a must: the heat and intense IR-radiation of a power valve at maximum dissipation can make phenol board at 2 cm distance burst out in flames! A sturdy ceramic wire-wound resistor, with its resistance wire removed, will make a good former. A diameter of about 2 cm and a length of 10 cm is satisfactory. Closely wind the former with one layer of 25 – 28 swg-enamelled wires over a length of 5 – 10 cm. In most cases its inductance is sufficient, even at a lowest frequency of 3.5 MHz. To test for series-resonance, short both ends together (fig») and (with a GDO) checks for resonance's in the amateur bands. If there are none, you are lucky. If there are, try to shift them by removing or adding some turns. Another solution is to remove 1 cm of the windings and start again, leaving a gap of 5mm between windings; then check again. My favourite choke has a diameter of 2 – 2.2 cm, is closely wound over a length of 5 cm with one layer of 28 swg enamelled wire, has an inductance of about 180 μH and will serve for all bands. The wire may seem too thin for some currents, but in all my experiments it never burnt through. The wirewound resistor (10–50 ?) between +HT and the choke will limit the damage from "flash-over", caused by a momentary short in a valve, to the fuse and (often) the limit-resistor itself. Replacing them is much cheaper than replacing the valve. |
|
OUTPUT CIRCUIT
Economy output pi-filter saving an extra band switch. The (fig») 100 pF and 150 pF are respectively, loading capacitors on 10, 15 and 20 m and a tuning capacitor "parallel" to 150 pF on 40 and 80 m. The inductance for 3.5, 7 and 14 MHz is wound on a Amidon T200-2 powdered-iron toroid. That is much smaller than the usual air-core coil. This was not often seen but I am using the toroids more than 25 years in my home made amplifiers.
The coil L3 for the 10 and 15 m band is made of tinned solid copper wire («fig electricians ground lead wire) of 2.5 mm² diameter. It has 6 turns with an inner diameter of 25 mm and a length of about 40 mm. This wire being tinned, I believe the high skin-resistance helps in preventing parasites. Adjust for maximal power at 28.5 MHz by compressing or elongating the 10 m part of the coil and/or repositioning the tap.
The 20–80 m coil is wound on an Amidon T200-2 toroid core. This was done in order to limit the overall dimensions of the amplifier. A toroid, self-shielding because of its low external field, facilitates compact construction. Before winding, several layers of Teflon plumbing tape must be applied to the core, to insulate it from the coil-windings. Another method of insulation is to cement two flat isolating washers (e.g. made from bare glass fibre board) on each side of the bare core. Apply a small quantity of super glue, possibly only a few drops, around the sides of the core. Work swiftly; the glue hardens quickly. The glue prevents the washers from moving out of alignment while the core is being prepared for winding. For a T200-2 core, the inner diameter should be 28 mm diameter and the outer diameter 55 mm. With this last construction it might be even possible to use bare copper wire for the 25 turns with of respectively taps on 4 and 11 turns of 14–19 SWG enamelled wire.
At the output end of the pi-circuit, a RF-choke between antenna-terminal and earth ensures a low-resistance DC-path, as a safety measure in the event of a short between the anode and the output-circuit. The Telecom authorities also require it. When the anode voltage is shorted to the output, without a DC-path to earth for blowing the HT fuse (the wire-wound resistor in the anode-circuit will curtail the flaming arc across the blown fuse), the antenna cable and antenna will become death traps. An adequate choke is a short ferrite rod with 30–50 turns of 25 SWG enamelled wire. Check it with a GDO for absence of series-resonance in any amateur band.
A SIMPLER DESIGN
The RF input is transformed up 1 ÷ 3 in L2, rectified in a voltage doubler and applied to the screen-grid. During non-transmit periods the second contact set on the changeover relay (Rel1) opens and the 10 k? cathode resistor reduce the cathode current almost to zero mA. Eventually L2 can be wound with close trifilar turns on a ferrite rod from an old MF radio or on a ferrite toroid.
|
|
0.3-0.5 mm wire. |
|
|
IDLE CURRENT ADJUSTMENT
The valve bias is adjusted with a string of 3–10 diodes in series. Short-circuit one or more for a standing current of about 20–25 mA. The valve will only conduct when the PTT is activated. As a rule, the individual products of standing current and anode voltage should stay below the maximum dissipation of 35 W per valve. Assuming a 10 % spread in standing currents the total dissipation, while sending without drive, will be about 25 (mA) × 1100 (VDC) = 27 W.
ADJUSTMENT OF THE LINEAR
After having (re) checked the newly built linear, the transceiver, a dummy-load and a power meter are connected. Don't forget the control lead for the relay! If, after applying power, the linear does not lift from your desk, you probably did everything right. Now push the PTT-switch (in SSB mode but without speaking into the mic.) then one at a time, short as many of diodes in the cathode diode string as it takes to obtain the desired 20–25 mA anode idling current.
Warning: be sure the power is off and the HT electrolytics discharged before touching any internal wiring!
With about 5 W drive and beginning with the 80 m band, tune the output-circuit for maximum power. Repeate the procedure, alternating between loading C and tuning C, till maximum power is reached. NB Whistling in the mike will not give a steady signal, a carrier (CW or FM) is necessary for repeatability.
Now raise the drive level to 10 W and repeat. Let the PA cool for at least 30 seconds after every 30 seconds of transmitting, to keep the valves healthy. Off-resonance, hefty currents can flow through the valves! If possible, proceed initially with lowered supply voltage. All now seems adjusted optimally but pay attention: lower the capacitance of the loading C until the needle of the power meter falls back 2 to 3 needle thickness; now re-adjust the tuning C for maximal power. Only after this last adjustment is full linearity achieved. Record capacitor settings before proceeding to the next frequency and/or antenna.
160 m
Extending to the 160m band is possible with a larger RFC and an additional coil in series with L4 with switching of fixed capacitors. The additional coil should be approximately 10 μH and that his about 28-30 windings on a T200-2 toroid. The loading and tuning capacitor must be respectively 400 - 500 pF and 2700 - 2900 pF. Here («fig) the idea that I have not (yet) tested.
POWER SUPPLY
An adequate power supply for this amplifier is my HV1300 supply with a scaled down transformer and 220 µF/400 V capacitors.
A FEW MORE IDEAS (I HAVE) NOT TESTED WITH A QQE06/40
|
Full size. |
|

The morse code for a license is expired (in NL) and a lot of former UHF/VHF amateurs moves to the HF bands. Often they offered their 2 meters etc. stuff for sale. Similarly, the famous dual-tetrode QE06/40 or its variants QQV06/40A, 5894, 559/400A, T25, AX9903, C178A, CV424, CV2797, RS1009, SRS4451 and YL1060. There are still lots of these valves kicking around. The bases are cheap and you’ll see plenty at hamfests. The selling price is frequently lower than that of an EL/PL519, so it is attractive to think about this tube.
They are rugged, pretty small and can take a real hammering and may be mounted horizontally. You can choose for a filament voltage of 6.3 or 12.6 volts, can exceed the specifications and get away with it. The specs say a maximum anode voltage of 750 V but they quite happily runs 1100V (like the EL519) on the anode.
The capacitance of the electrodes to each other including the neutralisation of two anodes is very low for the HF amateur bands. As the control grid is loaded with a low resistance, I think that in this design the tube can also be used with even the anodes in parallel, see the proposed schematics. If any instability occurs fit a suppressor in each anode. Note: there is not yet found time for test the idea, but it can be a challenge for you to do that first.
LA8LJA and QQE06/40

LA8LJA's experimented at 14 MHz with the design. Pi = 5W/Po = 80W, Pi = 15-20W/Po = 250 W.
LA8LJA has to my knowledge at first tested this idea with an experimental amplifier for the 20 m band. He wrote the result like him. With about 5 W driving power the output was 80 W and 15-20 W was sufficient for even 250 W output. The quiescent current at 1100 V was about 11 mA. The anode circuit was calculated using a method in one of my other articles.
In a QSO with a station in Ireland he squeezed even 300 W with 20 W input and got a good report. A sign that the amplifier operates as a linear amplifier! He reported: "You can certainly recommend this QQE06/40 amplifier and even with 2 × QQE06/40 it is possible to get the legal limit of 400 W power.

A QQE06/40 is intended for a balance circuit and that would look like the design (fig») shown which also is not yet tested. The rectifier and voltage doubling circuit for the common screen grid are based on a Swiss patent of more than 10 years ago. To couple the balance output of the anodes to 50 ohms, I had my own S-Match antenna tuner system in mind.
YO6PMX and GU-19 (??-19)

|
|
GU-19 (??-19)
Socket type B8S
|
The idea for using a QQE06/40 on HF obviously has YO6PMX led to convert a ZETAGI BV-131 CB amplifier with a look-a-like tube. He calls his converted amplifier "Yuri" because of the Russian military tube GU-19 (??-19). He constructed not many linear amplifiers, but the last one is this monobander for 10m.
He wrote: "The used schematic is, from your site, and the amplifier is working just great. I used the both tetrode sections in parallel, with only one classic parasitic suppressor. The case is an old Zetagi BV-131, the transformer is also from the old Zetagi. I added turns to the secondary winding to obtain 12 V instead of 6.3 V and the HV section is also increased with extra turns. The final voltage is 1150 V when idling. The output power is about 80 W with 4 W drives and about 180 W with 10 W drives. So, it seems that the GU-19 tube, cheap on eBay, is a good choice for this kind of amplifier".
PA3SZR


PE2B's AMPLIFIER


PE1RCO's AMPLIFIER

You can see that home brewing is still not an activity of the past and at a simple means such as printed circuit board you can build a good and beautiful power amplifier («fig) as PE1RCO did. He found it a very stable design that also showed no strange phenomena. With about a drive of about 2 W he obtained 100 W output. On 80 meters he could even work with Florida and within Europe he got easily S9+20dB reports.

EA6AFJ's AMPLIFIER

Attached are pictures of my replica of your single EL/PL519 PA. I have tried as much homebrew as possible: case, frontplate, tuning capacitor, PI-filter, transformers etc. The knobs are made with a lath. 100 W output, are no problem.
Anbei Bilder meines Nachbau Deiner single EL/PL519 PA. Ich habe versucht, soviel wie möglich selbst zu bauen:
Gehäuse, Frontplatte, Anodendrehko, PI-Filter etc. Die Knöpfe sind selbstgedreht und die beiden Trafos selbstgewickelt. 100 W Output sind kein Problem.
![]()