70-100 W transistor HF Versterker

met VHF types (BLW-60)

Click on flag for English

 

Zicht op de experimentele fase.

EXPERIMENT

Door mij werden diverse HF en VHF versterkers met transistors letterlijk nagebouwd, maar in de praktijk was een behoorlijke modificatie nodig om een goed werkend apparaat te krijgen. Met de verkregen ervaring en met VHF transistors in balans werd louter door experimenteren en proberen (Foto) een lineaire HF versterker samengesteld en geoptimaliseerd.

VERSTERKER

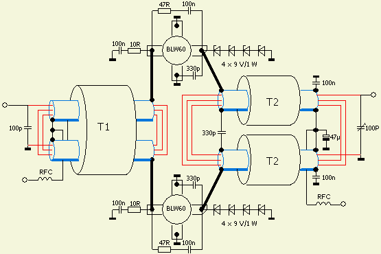
Het principeschema wijkt op een aantal punten af van de gebruikelijke ontwerpen. De instelling van de transistors vindt uitsluitend plaats door een gestabiliseerde schakeling. De basisweerstanden belasten de ingang alleen op HF. Ondanks de rommelige indruk op de foto van de experimentele fase, bleef de versterker onder alle omstandigheden stabiel.

De VHF transistors (T3, T4) worden door een 47 ? weerstand stevig tegen gekoppeld. Dat verlaagt de impedantie aan de basis en vermindert ook hun versterking. Daarom zal een ander type VHF transistor het waarschijnlijk ook goed doen in deze schakeling.

VERMOGEN

In de aanhef staat een uitgangsvermogen van 70 W. Dat is echter afhankelijk van de voedingsspanning. Hoe hoger die is hoe beter het lineaire gedrag, maar ga niet verder dan 13.8 V. De output zal dan ongeveer 100 W zijn, beperk het stuurvermogen als er meer uit komt.

INGANGSCIRCUIT

De impedantie van het circuit aan de ingang is ongeveer 50 ? en dat werd verkregen door: een frequentie afhankelijk circuit, tegenkoppeling van basis naar emittor en een 10 ? weerstand parallel aan de basis. Een 100 pF condensator parallel over T1 stemt breedbandig af op de 10m band. Experimenteer met de waarde als uw trafo van een andere samenstelling is. Zoals het schema laat zien zijn er twee circuits mogelijk voor respectievelijk 3 W en 10 W stuurvermogen. Het ontwerp kan dienen als versterker voor een QRP setje en werd hier gebruikt achter een Yaesu FT7. Collega zendamateurs die de versterker met succes nagebouwd hebben, melden dat de versterker naar tevredenheid werkt.

UITGANGSCIRCUIT

De uitgang is uitgevoerd met een balanstransformator in combinatie met condensators. Een 330 pF condensator staat over de collector emittor. Enerzijds voor kortsluiting van VHF en UHF en anderzijds als breedbandige kring op de 10 m band met de toevoerleiding en wikkeling van T2. Een 330 pF condensator parallel over T2 maakt daar ook deel van uit. Aan de secundaire kant van T2 kan met een 100 pF trimmer eveneens gepiekt worden op 28 MHz. Hier geldt ook weer, met ander kernmateriaal is het mogelijk dat met een afwijkende waarde van de condensators een beter resultaat te behalen is. Hier zijn twee soorten trafo's gebruikt en met beide was het resultaat met de opgegeven waarden optimaal.

BESCHERMING TRANSISTOR

Een van de voornaamste oorzaken van een defecte transistor is een te hoge collector emittor spanning, vooral als de uitgang onbelast is. In QRP ontwerpen werd dat opgelost door een geschikte zenerdiode over collector en emittor te plaatsen. Om de een of andere reden zie ik die methode niet meer terug in de huidige 100 W versterkers en ik vermoed dat de grote eigen capaciteit van één zenerdiode een te onzekere factor was. Het werkt wel met meer diodes in serie en ondanks alle foutieve handelingen tijdens het experimenteren is geen enkele transistor gesneuveld. Eén exemplaar ging kapot door oververhitting omdat een keer vergeten werd om de bevestigingsmoeren goed vast te draaien.

Een andere effectieve bescherming is een stroombegrenzing. Het mooiste is een voeding die onmiddellijk afschakelt als de stroom te hoog is. Tijdens experimenteren kunt u één of meer autokoplampen (parallel) in serie met de voeding plaatsen. Zo ontstaat een goede constante stroombron.

INSTELLEN RUSSTROOM

Voor het instellen en stabiliseren van de ruststroom werd met drie systemen en een eigen ontwerp geëxperimenteerd. Er werd vooral gelet op stabiliteit van de ruststroom bij stijging of daling van de temperatuur van het koelblok. De hier toegepaste schakeling werd een combinatie van twee systemen en dat bleek ook het stabielste circuit te zijn. Zelfs met BD435's gemonteerd op een apart koelblok varieerde de ruststroom weinig bij opwarmen of afkoelen. Beter is het om beide transistors op hetzelfde koelblok te monteren van T3 en T4.

Stel de potmeter alvast in de hoogste stand om in het begin een enorme ruststroom te voorkomen en draai dan voorzichtig op een stroom van ongeveer 100 mA. Stuur net zo lang uit tot het koelblok lauw wordt. Regel dan pas af op een ruststroom van 100 à 150 mA.

MONTAGE

 

 

 

Plaatsing en montage van de voornaamste componenten kan het beste gedaan worden dorr middel van directe verbindingen (fig») op de koperzijde van een PCB. De transistors zijn met de emittors op het koper (aarde) gesoldeerd. Verder zijn voor soldeerpunten van onderdelen stroken van 5 mm breed (foto) glasvezelprint gezaagd of geknipt en met twee componentenlijm op het koper geplakt. Een zogenaamde dode kevermethode, maar dan anders zou Cruyf zeggen

 

 

 

Gelijmde stroken printplaat als koperbanen.

Door het stoeien met eindversterkers van Atlas transceivers bleek dat het aardpunt van de windingen belangrijk te zijn. Afhankelijk van het printontwerp kan het aarden op een centraal punt, ongeveer midden tussen de transistors, voor alle banden een gelijkmatiger ouput te zorgen of zelfs meer vermogen op te leveren.

Vooral bij de transformator aan de uitgang kan de aangegeven methode (fig») van wikkelen bij elke transistor versterker voordeel op leveren.

BALANS TRAFO's

T 1 en T2 zijn HF trafo's die in balans de transistors T3 en T4 in en uitsturen. De overzetverhouding is 1 : 3 en 3 : 1 en dat is een impedantie verhouding van 1 : 9. De windingen zijn ook 1 en 3. T1 is een varkensneus van 15 × 14 × 9 mm en T2 bestaat uit twee ferriet pijpjes of een samenstel van ringkernen zodat en pijpje ontstaat.

Één winding is een metalen (messing) buisje dat door beide gaten (fig»)geschoven wordt. Beide buisjes zijn aan één kant met elkaar verbonden door een op maat gemaakt stuk koper printplaat. Aan de andere kant zit een even groot stuk, maar in het midden is door een zaagsnede het koper verwijderd. In plaats van een messing buis kan ook de afscherming van een coaxkabel gebruikt worden. Drie windingen van zo dik mogelijk draad worden aangebracht volgens de vorige tekening. Gebruik als het kan met Teflon geïsoleerd draad. Een passende messing buis voor de varkensneus werd gemaakt van een zilverkleurige vulling van een BIC balpen.

Toen destijds met dit ontwerp begonnen werd, was het niet eenvoudig om geschikt ferriet materiaal te verkrijgen. De varkensneus was geen probleem maar iets voor T2 en 100 W viel niet mee. Als u op zoek gaat zorg dan dat u correct geïnformeerd wordt door de handelaar, want Barend Hendrikse leverde niet geschikte pijpjes bleek later terwijl de typen (zie foto) uit mijn rommelbak het uitstekend deden.

Indien u dit ontwerp toepast op transistors voor met een voedingspanning van meer dan 13.8 V (24-40 V), dan veranderen de in en uitgangsimpedantie en moet de wikkelverhouding van T1 en T2 aangepast worden.

LP FILTER

Voor het onderdrukken van harmonischen moet per band een uitgangsfilter ingeschakeld worden. Een eenvoudig maar goed werkend type ziet u hiernaast. Daarbij worden T86-2 ringkernen van Amidon toegepast. Ook het kleinere T50-2 type is geschikt voor deze versterker. In de meeste andere ontwerpen worden voor de hogere banden 10, 15 en 20 m gele kernen van het type T68-6 of T50-6 gebruikt. Elk filter is optimaal af te regelen met een zender op de ene kant en een 50 ? dummy load aan de andere kant. Door de windingen op de kernen samen te drukken of uit te trekken is in het midden van elke band de SWR te verbeteren. Eventueel windingen vermeerderen of verminderen als door een spreiding van de condensators de SWR niet in de buurt van SWR = 1 te krijgen is.

Tegenwoordig gebruik ik voor dergelijke LP filters het afgebeelde (fig») polyester type. Niet de kleintjes met dunne aansluitdraden, maar het gotere 630 V model met dikkere draden.

BANDPASS FILTER

 

K4VX publiceerde in QST 09-1988 een driepolig Butterworth banddoorlaat filter om de last van krachtige omroep stations in onze ontvanger ingangen te verminderen. De getoonde componenten zijn ook geschikt om harmonischen te onderdrukken van 100 W zenders.

Met standaard componenten werden hier met goed gevolg een aantal van zijn filters gebruikt voor de ingang van stuurtrappen naar eindversterkers.