Is Uw Antenne(tuner) Systeem Symmetrisch? (Weet u dat zeker?)
27-May-2018
INLEIDING
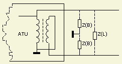
Bijna alle antennesystemen met openlijn en gevoed met een symmetrische antennetuner (ATU) zien er uit zoals in de tekening (fig»). Aan de ingang van een symmetrische ATU is een balun geplaatst om het ingangssignaal symmetrisch te maken of aan de uitgang van een asymmetrische ATU koppelt een balun het signaal symmetrisch aan de openlijn. De voedingslijn wordt door de balun aan de in- of uitgang als het ware geforceerd gebalanceerd ten opzichte van chassis of kunstmatige aarde.
VASTSTELLEN SYMMETRIE
Bij de meeste zendamateurs is de situatie zoals hiernaast figuur 2a; de stroom in de openlijn wordt bepaald met een meetsysteem in beide voedingslijnen. Als de stromen gelijk zijn (IL1 = IL2), is men tevreden en er wordt dan verondersteld dat antenne met voedingslijn keurig symmetrisch zijn. Men beseft niet dat de veelgeprezen balans is ontstaan door een afgedwongen middelpunt aan de in- of uitgang van de tuner (Fig 1 en 2a). Als een ander type tuner (Fig 2b) in hetzelfde antennesysteem wel een ongelijke stroom vertoont, wordt de oorzaak in die tuner gezocht en niet in de onbalans van antenne met voedingslijn. De desbetreffende tuner wordt dan slechter genoemd, is niet bruikbaar of komt niet in aanmerking.
Zou men volgens figuren 2c en 2d een meting doen met een asymmetrische tuner beurtelings in elke voedingsdraad en vergelijkt men daarna beide stromen dan is het niet onwaarschijnlijk dat zij ongelijk zijn, bij voorbeeld IL1 > IL2. Dezelfde ongelijkheid zal men ook vaststellen met tuner fig 2b. Door het ontbreken van een kunstmatig midden van de uitgangsspoel is het verschil in stromen goed waar te nemen. Zo'n ATU is dus niet slecht maar geeft gewoon de feitelijke situatie weer. Met mijn S-Match ATU zult u dan ook veel sneller een onbalans in de voedingslijn waarnemen dan de met vele andere antennetuners.
Is uw antennetuner van figuur 2a wel zo goed in balans of is het eigenlijk een "kastje belazer" zou wijlen PAØJA zeggen? In werkelijkheid is de balancering van een antennesysteem slechter dan wat men met een doorsnee ATU zou meten! Immers het resultaat of althans het verschil volgens figuren 2b, 2c en 2d moet duidelijk waar te nemen zijn.
OORZAAK
De oorzaak van een te optimistische weergave is het kunstmatige middelpunt en (fig») de vaak niet te verwaarlozen impedantie 2 × ZB van de tuner die parallel geplaatst wordt aan de impedantie ZL aan het begin van de openlijn. De extra parallel impedantie "verzacht" het eindresultaat.
Vooral bij het toepassen van een 1 ÷ 4 balun tussen ATU en voedingslijn («Fig 1b) is het meetresultaat rooskleuriger dan het is. Doorgaans is de impedantie ((2 × ZB) < ZL) van de balunspoel (zie Baluns) te laag in verhouding tot die van de voedingslijn en krijgt ook het hele syteem een lagere impedantie. Er wordt meer stroom gemeten en daarom denkt men dat het tunersysteem perfect is.
SYMMETRISCH MAKEN

In een woonwijk zal een dipool mechanisch uit gelijke delen bestaan, maar door bebouwing, grondsamenstelling en metalen opjecten heeft de ene helft een grotere capaciteit tot aarde dan de andere helft. Elektrisch gezien is de ene kant langer dan de andere kant. Als verder door tekort aan ruimte één helft ook nog teruggevouwen moet worden, zal het toevallig zijn dat het systeem symmetrisch is.
Een dergelijke stuatie (fig») met een inverted V doet zich bij mij voor omdat er in de achtertuin te weinig plaats is. Met een teruggevouwen lengte van 4.80 m was de symmetrie, gemeten met een antennestroom meter («fig), op de lagere banden redelijk goed, maar werd steeds ongelijker naarmate er op een hogere band gewerkt werd.
Uiteindelijk werd van beide helften de resonantie met een antenne analysator gemeten zoals dat op de afbeelding getekend is. Men kan het ook met een dipmeter doen. Als aarde of tegencapaciteit werd (in de shack) een buis van de CV gebruikt. Links was 2490 kHz en rechts 2580 kHz. Links was dus elektrisch te lang. Door ongeveer 20 cm aan het uiteinde van het teruggevouwen deel te laten hangen werd door steeds knippen, de resonantie ook op 2580 kHz gebracht. Qua antennestroom is, behalve de 10 m band, op de andere 12 - 160 m banden de symmetrie goed.
AANBEVELING
Als u werkelijk wilt weten of uw antenne met voedingslijn in balans is, meet dan de stroom in elke draad apart met een asymmetrische tuner (fig 2c, 2d).
Als blijkt dat beide stromen niet gelijk zijn probeer dan niet aan het begin van de voedingslijn de zaak in balans te brengen. Kennelijk heeft de ene dipoolhelft meer capaciteit tot de aarde dan de andere helft hetgeen de onbalans veroorzaakt. Als u dat wilt verbeteren, is de enige remedie het verlengen of verkorten van één van de dipoolhelften. Jammer genoeg werkt dat met een all band antennesysteem niet altijd op alle banden en zal een andere verlenging/verkorting voor sommige banden nodig zijn. Echter als uw ATU goed gebouwd is komt aan de uitgang daarvan, ondanks een geringe onbalans, het zendvermogen in uw antenne terecht en wordt volledig uitgestraald.