KLASSE INDELING VAN SYMMETRISCHE ANTENNE TUNERS
| Click on flag for English | ![]() |

Een selectie van zelfgemaakte ATU's, de onooglijke exemplaren op plankjes staan er niet allemaal bij.
VEEL ATU SYSTEMEN
Er worden wereldwijd veel ontwerpen van symmetrische antenne tuners gepubliceerd of aanbevolen. Vrijwel steeds ontbreekt de doorslaggevende informatie waarom juist voor dat ontwerp gekozen werd. Vaak is het een subjectieve keuze geweest omdat het bij de desbetreffende auteur met zijn antennesysteem goed werkte. Ook een vergelijkende test met een andere soort antennetuner staat er niet bij of het was de eerste de beste en enige tuner van degene die het nabouwde en het aanprees in een artikel.
Men testte het product met een 100 W zender en dat gaf geen problemen. Als in de ATU 10% van het vermogen in warmte wordt omgezet, merkt men dat niet zo. Met 1 kW verdwijnt er 100 W in de tuner en dat is geen kattenpis. Houdt maar eens een brandende gloeilamp van 100 W vast! Bij sommige antennesystemen gaat er nog meer in de tuner verloren en dat kunnen de componenten in de meeste apparaten niet verdragen. Bij een van mijn proeven met een te korte antenne voor 160 m werd de 1 mm draad van een rolspoel zo heet dat het porselein ging barsten.
TESTEN ATU's
Om de werking van symmetrische tuners in de praktijk te testen, werden door mij veel systemen met kwalitatief gelijkwaardige componenten nagebouwd. Het kwam voor dat hier ongeveer 25 antenne tuners aanwezig waren. Alle ATU’s werden zo goed mogelijk onder gelijke omstandigheden met elkaar vergeleken op maximale stroom aan het begin van de voedingslijn. Ook bij andere actieve zendamateurs werden ter plekke hun antennes met tuners naast de door mij meegebrachte typen gelegd. Verder werden met behulp van 50, 200 en 680 W kunstweerstanden en diverse HF trafo’s statische belastingen gesimuleerd om het rendement te bepalen. Voor de test waren beschikbaar: dipolen van 2 × 10 m, 2 × 13.50 m, 2 × 17 m en een windom voor 80 m. Alle antennes werden ook gevoed met meer dan twee verschillende lengtes van de voedingslijn. Deze manier van beproeven is niet een echt wetenschappelijk verantwoorde methode, maar geeft toch een inzicht in het onderlinge verschil van de diverse ATU's.
In de tekening staat nog een andere methode om het verlies van een tuner te "meten". Men regelt de ATU af op het antennesysteem en daarna wordt de openlijn met antenne afgekoppeld. Een tweede (geleende) ATU, zo mogelijk van hetzelfde type, wordt als "antenne" aangesloten en afgeregeld op een 50 W wattmeter. Men meet wat er in de dummy load terechtkomt, deelt de uitkomst door twee en dan heeft men bij benadering het verlies van elke tuner. Overigens gaat het afstemmen van de 2de ATU niet altijd vlekkeloos.
Het eindresultaat, met een indeling in klasse van 14 soorten symmetrische antennetuners, staat in de volgende een tabel. Systemen die er niet bij staan kunnen herleid worden tot de afgebeelde typen, zodat er toch een mogelijkheid is om het een en ander te vergelijken.
RENDEMENT

Bij mijn meest recente testen met kwalitatief goede eigenbouw ATU's bleek dat een S-Match ook in de klasse A hoort.
Klasse A heeft het hoogste rendement en tuners van één klasse zijn qua prestaties evengoed. De experimenten hebben ook het volgend aangetoond:
|
Antennetuners van dezelfde klasse kunnen toch in rendement verschillen door de beperkende eigenschappen van de onderdelen. Elke spoel of condensator heeft een minimum en maximum waarde met respectievelijk een eigen capaciteit of zelfinductie. |
|
Als een systeem van een lagere klasse speciaal gemaakt wordt voor één of twee banden, dan kan het rendement net zo goed worden als dat van een hogere klasse. |
|
De vergelijkende testen hebben aangetoond dat een systeem met één spoel en één condensator de minste verliezen geeft. Komt er een spoel of condensator bij, dan is het rendement met de vorige opstelling iets minder, maar eigenlijk verwaarloosbaar. Met meer dan drie componenten wordt het rendement meetbaar slechter, maar het universele aanpasbereik neemt daarbij toe. |
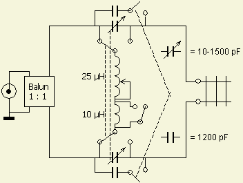
KOPPELSPOEL
Ook koppelspoelen zoals in B1, C1, C4, D1, D2 en D3 verslechteren het resultaat. In de meeste bouwsels en ontwerpen heeft de koppelspoel een te losse koppeling met de andere spoel. Bij nauwkeurige meting blijkt ook dat de koppelspoel de symmetrie van het systeem verstoort. Eigenlijk moet er een balun bij zoals in A1.
INVLOED BOUWWIJZE
Ook bij de opbouw van het geheel ontstaan ongewenste effecten. Bij vrijwel alle ATU's komt het voor dat op één band met een bepaalde antenne de aanpassing niet lukt of niet optimaal is.
ADVIES
Met («fig) type A3 heeft u een tuner die veel kan aanpassen en in een kast zit met knoppen aan de voorkant. Het verschil met A2 is eigenlijk een praktisch probleem. Twee gelijke rolspoelen (A2) zijn mechanisch moeilijker te koppelen dan twee variabele condensatoren (A3). Verder is het tegenwoordig een toer om twee identieke rolspoelen voor een redelijke prijs te verwerven. Voor ongeveer hetzelfde vermogen kan voor wat betreft de variabele condensator in A3 volstaan worden met de halve plaat afstand ten opzichte van A2. In A3 staan feitelijk twee condensatoren in serie. De spanning die in A2 over de condensator staat is in A3 verdeeld over twee condensatoren.
Het rendement van mijn beste type A3 tuner, werd o.a. met deze (fig») testopstelling vastgesteld. Bij de meeste andere ATU's zal het rendement bij dezelfde meetmethode slechts 85 - 90 % zijn. Een ATU volgens type A3 is beschreven in Efficiente symmetrische ATU
|
|
|
Een voorbeeld van een recente type A3 ATU (nog geheel niet klaar) met weinig verliezen.
Er wordt mij meermaals gevraagd wat ik van PAØLL's antenne tuners vind. Uit deze testen bleek dat het rendement van beide systemen A2 (2LC) en A3 (2CL) evengoed is. Zij worden bij mij ook door elkaar heen gebruikt. Het maakt dus niets uit welke van de twee u in elkaar zet of koopt, want dat hangt grotendeels af wat u wenst, de componenten die u vergaren kunt en uw handigheid om twee rolspoelen of twee condensatoren te koppelen.
Iemand anders vroeg:"Ik heb je S-Match met een T200-2 nagebouwd en dat geeft met de PA een prima SWR, zelfs als ik met 800 W test! Je hebt op je site verschillende tuner-systemen staan en mijn vraag is welke je wilt aanbevelen voor een G5RV? De S-Match, Frimatch of het 2L-C; 2C-L systeem? Voorlopig heb ik provisorisch een S-Match gemaakt, als ik het echter in een kast ga bouwen wil ik graag weten welk systeem jij het beste vindt?
Het antwoord was:
Qua rendement is 2LC = 2CL. In mijn artikel "Indeling symmetrische ATU's in klassen" (dit artikel )had ik de S-Match niet bovenaan staan. Inmiddels heb ik met zeer goede componenten en een zorgvuldige bouwwijze een S-Match (fig») en 2CL ATU (vorige foto) gebouwd en wat schets mijn verbazing: de S-Match geeft een iets beter rendement (het tegenstation merkt daar niets van!).
Het verschil komt hoogstwaarschijnlijk door de wijze van de montage van de componenten in de kast.
Bij een andere compactere 2CL (fig») was de S-match weer iets minder.
Conclusie: 2CL = 2LC = S-Match.
Het een en ander hangt kennelijk af van de kwaliteit en formaat van de componenten en hun montage in een kast.

Een voorbeeld van een prachtige door PAØLL gebouwde ATU type A2.
![]()