FRI-Match ATU, een Z-Match met één spoel,
(Freematch line matching unit gepubliceerd in RSGB's RadCom 1989 july en Rothammel's Antennenbuch)
|
For English click on flag
|

Antenne tuner voor 10 t/m 80 m, maar ook geschikt voor 50 en 70 MHz banden.
Over het algemeen kan men het beste de rechter schakeling gebruiken, lukt de aanpassing niet dan overschakelen naar het linkse systeem.
ONTWERP
Dit ontwerp voor 10 t/m 80 m (incl. WARC, 50 en 70 MHz) kwam omstreeks 1972 tot stand bij een poging om met twee knoppen en zo min mogelijk componenten, een aanpassing met lage SWR te krijgen voor een met coaxkabel gevoede (multiband) antenne zoals G5RV, W3DZZ, 3band trap Yagi etc. Het regelbereik van 10 t/m 80 m is te vergelijken met de ingebouwde tuners van de huidige transceivers.
Destijds werd er niet aan gedacht om deze tuner te publiceren, maar collega zendamateurs die er goed mee konden werken, drongen erop aan om een artikel in te zenden. Deze tuner (ATU) werd in Electron van VERON en RadCom van RSGB gepubliceerd als FRI-Match. Deze naam werd bedacht om onderscheid te kunnen maken met andere ATU systemen.
De redacteur van RadCom heeft later vastgesteld dat mijn ontwerp en publicatie de eerste in zijn soort geweest is, want daarna zijn dergelijke tuners met andere taps op de spoel ook in andere tijdschriften voor zendamateurs verschenen.
|
|
|
Na veel experimenteren met diverse antennes en complexe belastingen bleek het ontwerp met één spoel met een zelfinductie van 5 – 8 µH op alle banden (10 t/m 80 m) het beste resultaat te geven. Het rendement van de tuner is goed, omdat het beschouwd kan worden als een autotransformator met inductieve en capacitieve aftakkingen. Oorspronkelijk was het ontwerp een drieknoppen tuner volgens het linkse model.
Daarom werd verder geëxperimenteerd en ontstonden het middelste en rechtse model met twee afstemknoppen (zie schema). De tweevoudige condensator heeft bijna dezelfde werking als de om te schakelen condensator aan de ingang. Zo werd een schakelaar uitgespaard.
Eén van mijn eerste bouwsels was met twee kunststof varicaps. Types die in draagbare AM radio's zaten. Hoewel bedoeld voor QRP, bleken zij vaak ook geschikt voor zelfs 100 W als de aan te passen impedantie niet al te hoog was. Mijn QRP ATU bestaat inmiddels niet meer, maar PA4M heeft iets gebouwd (fig») dat bijna een (toevallige) kopie lijkt van mijn voormalige apparaat.
SYMMETRISCHE TUNER
Een antenne met open lijn kan afgestemd worden door over het onderste gedeelte van de spoel een koppelspoel van 3 – 6 windingen aan te brengen. Dit aantal is een gemiddelde want dat hangt af van de impedantie van de belasting. De capacitieve koppeling van beide spoelen verstoort het balanceren en door de extra spoel vermindert het rendement van deze tuner. Het resultaat hangt sterk af van het juiste aantal windingen. Hiervan moet de impedantie passen bij de impedantie aan het begin van de open lijn. Is deze bij voorbeeld hoog en er zijn te weinig windingen, dan kan meestal wel een SWR = 1 gevonden worden, maar er komt minder energie in de antenne. Gezien de opgenoemde onzekerheden, kan ik dit systeem niet aanbevelen. Niettemin kunt u zelf experimenteren met het aantal koppelwindingen voor een maximale stroom in de voedingslijn naar uw antennesysteem.
Zelf gebruik ik een FRI-match vrijwel uitsluitend als asymmetrische tuner voor met coaxkabel gevoede antennes of als afstemeenheid tussen zender en een te testen HF versterker. Indien een symmetrisch antennesysteem aangepast moet worden, doe ik dat (fig») in combinatie met een geschikte balun aan de uitgang van de ATU. Lees verder de alinea ANTENNES.
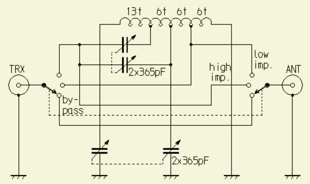
SPOEL
|
SPOEL |
||||
|
Lengte |
4.5 |
5.5 |
cm |
Draaddikte ten minste 1 - 2 mm. |
|
Diameter |
5 |
4 |
cm |
|
|
Windingen |
15 |
15 |
aantal |
|
|
Tap |
3, 6, 9 |
3, 6, 9 |
windingen |
|

In de tekening en tabel zijn de maten opgegeven van een paar goedwerkende luchtgewonden spoelen die geschikt zijn voor ongeveer 400 W.
Ook andere spoelen van 5 – 8 µH zijn bruikbaar mits de formule in de volgende tabel toegepast wordt voor het bepalen van de aftakkingen.
BEREKENING VAN DE TAPS
|
Spoel |
5 – 8 µH |
|
Windingen |
n |
|
Tap 1 |
n ÷ 5 |
|
Tap 2 |
2n ÷ 5 |
|
Tap 3 |
3n ÷ 5 |
Heeft u een willekeurige 5 – 8 µH spoel met n windingen dan komen, gemeten van het massapunt af, de aftakkingen volgens de tabel è
Voorbeeld: een spoel met een kleine diameter en bij voorbeeld 30 windingen, komt de eerste tap op 30 ÷ 5 = 6 wdgn, de tweede tap: (2 × 30) ÷ 5 = 12 wdgn en de derde tap: (3 × 30) ÷ 5 = 18 wdgn.
Zie ook als voorbeeld de tuner van PE1ADY verderop in dit artikel.
In ontwerpen van anderen ziet u hetzelfde systeem met één spoel maar de aftakkingen zijn anders. Helaas verklaren de auteurs niet hoe en waarom de desbetreffende taps gekozen werden. Als het rendement buiten beschouwing gelaten wordt, dan kan inderdaad met andere aftakkingen op de spoel eveneens een SWR = 1 gehaald worden.
Uitgebreide experimenten gedurende ten minste zes maanden hebben mijn gevonden aftakkingen op de spoel opgeleverd. Twee jaar later zijn die proeven herhaald en werden de eerste resultaten nogmaals bevestigd. Het bleek dat het rendement met de gevonden taps gemiddeld het beste was. Er zijn verschillende belastingen in de vorm van antennes en combinaties van weerstand per band geprobeerd en er is naar het rendement en aanpassing gekeken. Met dit ontwerp en formule voor de taps is het verlies van de tuner op alle banden vrijwel gelijkmatig en klein. Kiest u andere aftakkingen dan loopt u de kans dat op één of meer banden er wel aanpassing is maar met een slechter rendement.
U kunt zelf («fig) een proef op de som nemen met uw huidige ATU tussen uw zender en een 50 ? belasting. Breng de zaak in afstemming, meet met en zonder tuner het vermogen dat in de dummy-load terechtkomt en verheug of erger u dan.
AANPASSEN

Elke kant kan als ingang gebruikt worden, maar over het algemeen zal de rechter figuur qua rendement het beste werken. Als er geen aanpassing gevonden kan worden, kies dan voor de linker figuur. U kunt dat handmatig doen door omwisselen van in en uitgang of met een tweevoudige schakelaar (weer een knop erbij!).
De tuner (fig») wordt hier ook veel toegepast om de ingang van een experimentele lineaire versterker geschikt te maken voor de zender. In een aantal door mij ontworpen HF lineairs is iets van deze tuner terug te vinden.
Hoewel deze ATU eigenlijk bestemd was om een lage SWR te krijgen voor de bandgrenzen van een resonerende antenne, bleek in de praktijk dat veel meer mogelijk is. Bedenk echter dat deze ATU net als andere aanpassingsunits zijn beperkingen heeft.
SYSTEEM
De werking van de spoel is nogal complex. De meeste banden worden bestreken door het gedeelte tot de tweede aftakking. Daarboven is voor 80 m en 20 m, waarbij in het laatste geval de tweevoudige condensator weer een belangrijke rol speelt. Op 20m worden meestal twee resonanties gevonden. Kies voor het punt waarbij de condensator over de spoel het meest ingedraaid is. Met bijna geheel uitgedraaide condensator komt men in het 40 m en 10 m bereik.
RINGKERN
|
|
|
Ringkern |
T200-2 |
|
Windingen |
25 |
||
|
Taps |
5, 10, 15 wdgn |
Omdat een spoel met ringkern vrijwel geen uitwendig veld heeft, kunt u daarmee een zeer compacte antennetuner bouwen. Voor een vermogen van ± 400 W is een T200-2 (fig») ringkern goed geschikt.
Beide foto's laten een tuner van 17.5 × 6 × 12 cm (b × h × d) zien die speciaal gebouwd werd voor een Kenwood TS-50S voor gebruik in het buitenland. Het apparaat is door de T200-2 ringkern de helft kleiner geworden dan de transceiver.
Breng de windingen gelijkmatig verdeeld aan over 80 % van de kern.
De draad moet bestand zijn tegen hoge spanningen en isolatie met bij voorbeeld Teflon tape op kern of draad is aan te bevelen. Een andere methode waarbij ongeïsoleerd draad gebruikt kan worden, is het bedekken van de ringkern met twee isolerende ringen van epoxy printplaat zonder koper. De ringen kunnen uitgezaagd worden met een 7-gaten-zaag. Voor een T200-2 ringkern wordt de diameter van de ring 55 mm met een gat in het midden van 28 mm doorsnede. Door het aanbrengen van een paar druppels seconden lijm plakt u de ringen op de ringkern. Dat voorkomt schuiven bij het aanbrengen van het draad.
Inmiddels is gebleken dat zwart geïsoleerd installatiedraad ook bruikbaar is.
CONDENSATOR

Bij veel antennesystemen zijn deze varco' uit oude AM radio's geschikt voor 400 W zendvermogen!
Tweevoudige variabele condensatoren van 2 × 470 pF uit oude ontvangers zijn zeer geschikt en kunnen in dit ontwerp 400 W of iets meer aan bij veel antennesystemen. De vrije ruimte tussen een vaste en draaibare plaat zal ongeveer 0.6 – 1 mm zijn. Met de condensator bijna uitgedraaid wordt de 40 m band bestreken en daarom is een zo klein mogelijke nul capaciteit belangrijk. Is die te groot dan lukt het afstemmen op 40 m net wel of net niet. Het 20 m bereik wordt grotendeels bepaald door de variabele capaciteit tussen de tweede en derde aftakking van de spoel.
Tijdens een test gaf de tuner («fig) met ringkern bij een antenne (fig») van 2 × 17.30 m, 9 m openlijn en 4 ÷ 1 balun geen krimp met 1000 W op 80 m! De ringkern werd niet warm maar het draad met PTFE (teflon) isolatie op den duur wel. Dit antennesysteem met coaxbalun en FriMatch was in staat om alle 8 banden van 10 - 80 m af te stemmen met een SWR = 1.
Condensatoren met een kleinere plaat afstand zijn geschikt voor ongeveer 100 W. Typen van kunststof zijn geschikt voor QRP setjes. Ook waarden van 2 × 350 pF zijn te gebruiken, maar zorg er dan wel voor dat de spoel ongeveer 8 µH is.
Er zijn ook kleine drievoudige condensatoren van 3 × 330 pF. Die kunt u het beste inzetten volgens («fig) het schema. Dan is het zelfs mogelijk dat ook 160 m afgestemd kan worden over een zeer beperkt gebied. De 40 m band is dan vaak niet meer te vinden met uitgedraaide platen, maar komt terug door al draaiend de capaciteit te vergroten.
Om u een indruk van het formaat te geven ziet u hiernaast een penlite batterij samen met zo'n kleine drievoudige variabele condensator.
160 m
De 160 m band valt bijna altijd buiten het regelgebied van deze tuner. Wilt u die band erbij hebben, dan is een spoel met meer zelfinductie nodig. De "formule" voor de aftakkingen blijft geldig. Alleen zal een stuk in het gebied van 10 – 20 m ontbreken. Het bereik wordt dan ongeveer 30 – 160 m, maar het kan meevallen.
ANTENNES
Antennes zoals G5RV met balun, W3DZZ, FD3 en FD4, trap verticals en Yagi's zijn met een FRI-Match goed aan te passen. Als u zelf een FD3 of FD4 maakt en deze tuner daarbij gebruikt, kunt u met goed resultaat net zo goed een 1 ÷ 4 balun plaatsen. Dat kan zelf gemaakt worden met een ringkern, maar beter is een coaxbalun eventueel een kleiner model met dun coaxkabel volgens dit artikel balun. Voor het voeden van een antenne met open lijn kan de genoemde balun ook toegepast worden.
Een goede aanpassing en stralingsrendement krijgt men als de openlijn plus dipoolhelft ongeveer 27 m is. Zorg daarbij dat de antenne niet kleiner wordt dan 2 × 13 m. Met dit systeem en een antenne van 2 × 13.50 m heb ik jarenlang met goed resultaat gewerkt. Als bezoekers mijn antenne zagen, was vaak hun commentaar: "Je hebt wel een sterk signaal met zo'n korte antenne en dat met 100 W"!
Wordt de voedingslijn te lang in uw situatie, rol dan de rest als lintlijn («fig) op een koker.
Heeft u ouderwetse 300 Ω lintlijn dan kan het ook opgerold worden zoals een filmrol (fig»), zie ook universele dipool. Met beide methodes krijgt u in feite de werking van een mantelsmoorspoel als extra erbij.
In het praktische gebruik past deze tuner meer aan dan oorspronkelijk bedoeld werd. Het is een kwestie van even met beide condensatoren of aansluitingen spelen. Dat moet u zelf uitzoeken en ervaren. Een voorbeeld hoe het kan is de aanpassing van een draadantenne zoals hiernaast afgebeeld is. De tap met de beste aanpassing moet experimenteel bepaald worden. Gebruikt u steeds dezelfde antenne dat hoeft dat maar eenmalig gedaan te worden. Het is ook mogelijk dat een aanpassing goed lukt door de antenne rechtstreeks op één van de taps aan te sluiten.
UNIVERSELER SYSTEEM (in experimentele fase, voor QRP of vakantie?)
![]() 4 : 1 Balun/trafo |
![]() 4 : 1 Balun/trafo |
![]() 1 : 1 Balun/trafo |

Er is meer mogelijk met dit ontwerp, een cominatie van een asymmetrische en symmetrische tuner. Hierbij moeten de variabele condensatoren geïsoleerd gemonteerd worden. Naar believen kan een coaxkabel met antenne of een symmetrische lijn met antenne aangepast worden. Een scheidingstransformator ( 4 : 1) zorgt ervoor dat de 50 Ohm kabel impedantie naar een lagere waarde overgezet wordt zodat de ATU gemakkelijker de hogere impedanties van antennesystemen kan aanpassen. Elk tunersysteem heeft zo zijn beperkingen maar tot nu was het mogelijk om mijn eigenbouw W3DZZ met openlijn voeding op alle banden van 10 t/m 80 m in afstemming te brengen.
Links een goed werkende uitvoering met aan de ingang een ! : 1 trafo met een varkensneus. Met mijn huidge inverted V van 2 × 16.50 m was het niet nodig om in en uitgang te verwiselen.
ROTHAMMEL ANTENNENBUCH
In het bekende Antennenbuch van Karl Rothammel, DM2ABK, Y21BK (SK) staat veel over antennesystemen, tuners, coaxkabels etc. Het is een goed informatief naslagwerk. Mijn originele exemplaar van 1978 komt nog uit de voormalige DDR en is gedrukt op een soort krantenpapier. Een eigenaar van een veel nieuwere versie ontdekte dat deze tuner ook in de tekst vermeld wordt en dat is toch leuk om te weten.
NB de redactie en bewerking wordt door DJØTR voortgezet.

BEOORDELING
De ervaring en het oordeel van professor R. Jayaraman, VU2JN.

To make a long story short, my Fri-match ATU was completed in March 2011, nearly half a century after I first thought of building an ATU! Fig. 4 shows a photo (fig») of this ATU. It has just 2 controls, and no rotary inductor. It outperforms the conventional Z-match with regard to ease of tuning and tuning range, and is almost as good as the SPC Transmatch. And interestingly, so long as the Fri-match ATU is able to match an antenna within its tuning range, it is able to bring down the SWR to exactly 1.0. This is something that I had not expected from a 2-knob ATU that is free of the burden of a variable inductor! No reduction drives are used in this ATU. Though the tuning of the condensers is very sharp, it is manageable, even for a person aged 75 years! An analog SWR bridge is needed for tune-up. A point to be kept in mind is that, if one of the condensers is very much off-tune, tuning the other condenser would not produce any dip in the reflected power. Therefore, in the absence of calibrated dials, visual monitoring of the condensers is necessary. The body of one of the condensers has a RF potential but, since it is tied to the transmitter output, there is no hand-capacitance effect.
The Fri-match ATU sits to my right near the front edge of the operating table, not far away from the FT-840 transceiver. From the antenna switch, a 70-ft. length of RG-223 coax feeds a 40-metredipole antenna, and a 50-ft. length of RG-213 coax feeds a HY-GAIN 12AVQ 3-band ground-plane antenna. The ATU enables me to use the 40-metre dipole on 20, 40 and 80 metres, and the 12AVQ ground-plane on 10, 15, 20 and 40 metres --all with a SWR of 1.0 as seen by the transceiver. So much so, the ATU is useful even when a resonant antenna is used for the band of operation. On 20 metres and the higher bands, I normally use the 12AVQ ground-plane. The only time I operate with a non-resonant antenna is when I use my 40-metre dipole on 80 metres. Signal reports then indicate that I am roughly 1 S-point weaker than similar stations using a 80-metre dipole. That's not bad, and I am quite happy with the performance of the ATU.
I recommend this ATU to all hams. When an ATU is available, we can fabricate a dipole, ground-plane or any other antenna simply to the dimensions suggested by theory, and dispense with the trimming of the antenna. In many situations, trimming of the antenna to lower the SWR is unscientific, because the problem is not in the antenna, but elsewhere! It is better to rely on the ATU to take care of the fine tuning of a resonant antenna.
-- VU2JN.
Zie het complete artikel van professor R. Jayaraman, VU2JN over de Frimatch-ATU .
EEN PAAR NABOUWERS
PA1ADY

PE1ADY's maakte deze FRI-Match ATU's.
PA4M


PA4M bouwde het ontwerp met een ingebouwde N7VE SWR indicator zodat geen aparte SWR meter nodig was. Hij gebruikt zijn FRI-match bij een eigenbouw 30 m CW transceiver. Het rendement van de tuner heeft hij nog niet kunnen testen, maar afstemming verloopt erg soepel. De ringkern is een T158-2 omdat het toevallig nog ongebruikt aanwezig was.
PAØCDR
PA0CDR ging ook aan de slag en in zijn email stond onder andere: "Het werkt wonderschoon, een heel soepele afstemming op mijn Endfed die hier over de zolders loopt. Groot succes..!" Verder volgt een samenvatting van zijn werkwijze.

Hij maakte de luchtspoel van 6mm² installatiedraad omdat geëmailleerd koperdraad van grotere diameter lastig te krijgen was in zijn omgeving. Het voordeel van het aardingsdraad is dat het stug is, goed in vorm blijft en daardoor geschikt is voor luchtspoelen.



Ook zijn versie met een ringkern bevalt goed.





|
C1 3×450 pF |
![]() |
|
a "funny" ATU tuner
its a "FRI-MATCH!" my implementation by RALPH KLIMEK VK3ZZC OCT-2013
|
||
![]() |
![]() |
![]() |
| conductors are made from silver plated teflon coax outers off-cuts for the last word in low loss. see also the insulating shaft coupler |
bnc and so-259 mounted to copper flashing for a positive galvanic RF grade ground | the coil |
![]() |
![]() |
![]() |
| the rotors of my tuning gangs are positively grounded to frame by rotary straps. the insulator block adapts the 3/8 inch rotor shaft to 1/4 inch for front panel knob. | gang mounted on perspex plate | original brass wiper was just riveted to frame |
![]() |
![]() |
![]() |
| connect rotors to the capacitor frame for trouble free tuning. The brass block is used to contain and terminate the shaft grounding strap. I do not rely on the old wiper arrangement. You will have erratic tuning if you do. | positve grounding ensures trouble free operation |
I can never find a BNC-PL259 adapter when I need one, so I provision BOTH ! Always use silver plated connectors for RF if available. (it does make a differance ) |
![]() |
||
KØIYE
The FRI-Match Antenna Tuner By Frank Harris, KØIYE
Sometimes on I've had trouble getting some of my antennas to properly load the 15, 12 and 10 meter bands. My friend Jayram, VU2JN in India, sent an article he wrote about his new homebrew antenna tuner. It is a design originally developed by PAØFRI - hence the name "FRI-Match." Jayram is impressed by the ability of his FRI-Match to load his 40 meter dipole on 80 meters and actually talk to folks hundreds of miles away. My homebrew T-Match tuner can load a 40 meter dipole on 80 meters, too. But even though the transmitter doesn't overheat, the propagation is poor and no one hears me. To transmit on 80 meters I have to use the entire 40M dipole, coax and all, as a long-wire antenna with my entire 30 meter dipole in the backyard as a long-wire counterpoise.
In spite of the fact that I can't figure out how the FRI-match is supposed to work, I built one and am quite pleased with it. It is compact and does not have a variable inductor. You can use an air core or another fixed inductor. Jayram recommends using 5 to 8 micro henries total tuned with ganged 470 pF capacitors. For the inductor I used 26 turns on a T-200-6 (CWS, Amidon) large powdered iron core wound for a total of 7 micro henries. Once you know how many turns you need for the entire inductor, calculate each of the 3 taps on the coil by multiplying the total turns by the number shown below and divide by 5. I couldn't find 470 pF capacitors, so I used 365 pF caps which are available from RF Parts Company (RFparts.com).
The FRI-Match circuit is shown below. One of my capacitors is two-thirds of a triple-gang 365 pF capacitor because I didn't have two dual-ganged caps. No matter. It works well, but I haven't tried it down on 160 meters. As Jayram suggested, I should have used heavier gauge wire, but didn't have any. However, that probably isn't important.
The input variable capacitor is floating and not connected to the aluminium ground sheet. The coil is mounted on a plastic insulating bracket. A short piece of RG-58 coax connects the coil to the output connector on the right. As is usual for me, I used scope and frequency counter probes to monitor the antenna voltage waveform.
One happy surprise is that, the FRI-Match not only tunes better on the high bands, it delivers more power to the antenna. The most dramatic example was on 10 meters. With my old T-Match on 10 meter sideband, I could only get 25 watts peak. With the FRI-Match I could tune it two ways. At one setting I got the usual 25 watts, but with the output capacitor rotated toward the other end of its range, I suddenly had 50 watts delivered to a 50 ohm dummy load or to my vertical antenna (ed. note: I also have trouble differentiating the effect of a dummy load from a vertical antenna). I am continually surprised by the effect that the antenna impedance has on the various transmitter amplifier stages. Logically, one would expect that only the final amplifier stage would be affected by the antenna loading. In practice, tuning and performance of earlier stages are also affected. Due to the low output of my 10 meter SSB driver, I believed that 50 watts output would be impossible on that band. On 20 meters, my output rose from 65 watts to 100 watts. Too bad I can't tune up some more sunspots!
![]()