Mirror website: https://www.pa0fri.com/


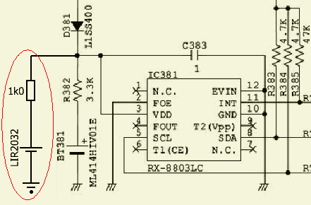
Extra rechargeable clock battery for IC-7300/7100 Click on image 

  
  Active loop receiving antenna.
Click on image

     
PA0FRI's HOME BREW AMATEUR RADIO 

ANT

ATU

MISC

MODS

QRO

 1

 2

 3

 

 

Doelgroep

PS

Information

PAØFRI

CQ serenade (MP3)

Biography Eng

BiografieNL

Veteran

Homepage since 8 nov 2003
PAØFRI, Frits (F.H.V. Geerligs)
  AMATEUR OF THE YEAR 2009,
QTH: Etten-Leur, the Netherlands.

My previous full A-class license (Morsecode included) is converted to full F-class = CEPT T/R 61-01.


The content of articles assumes that you has the necessary technical knowledge of a licensed radio amateur.


Have something repaired, modified or aligned? Contact PAØLMD  www.hamradioservice.nl